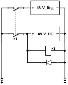
I am doing a project, in which there are two dc source a) 48V_ DC b) 48V_Reg to power the board.
If either of two is present, that power source will power the board.
If two power source is also present then it should select 48V_DC
Please let me know any IC or circuit in where I can implement above features.



