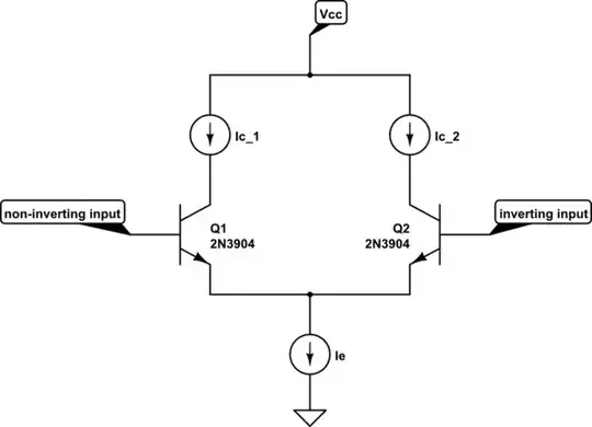
I'm having a problem understanding of how can a current be injected into emitter and pulled into collector via base, using only current sources at emitters and collectors of differential pair and not applying and base voltage directly (like shown in the schematic below).

simulate this circuit – Schematic created using CircuitLab
\$ I_e \$ could be a BJT constant current source and \$ I_{c1} \$ could form a current mirror with \$ I_{c2} \$. Which doesn't really matter here. What does matter is, how can \$ V_{be} \$ on both \$ Q_1 \$ and \$ Q_2 \$ be "formed" and both transistor to conduct current, if there is no directly applied voltage on either of differential pair inputs?
Here is a quote regarding biasing of differential amplifier from Wikipedia:
In contrast with classic amplifying stages that are biased from the side of the base (and so they are highly β-dependent), the differential pair is directly biased from the side of the emitters by sinking/injecting the total quiescent current. The series negative feedback (the emitter degeneration) makes the transistors act as voltage stabilizers; it forces them to adjust their VBE voltages (base currents) to pass the quiescent current through their collector-emitter junctions. So, due to the negative feedback, the quiescent current depends only slightly on the transistor's β.
So, emitter current is forced into each of transistors by \$ I_e \$ somehow, and both of them also pass it through the base into collector. But how that happens? Isn't it true that BJT acts as very high impedance load, if there is no applied \$ V_{be} \$ (basically open circuit between collector and emitter)? Also, both bases are floating, so \$ V_{be} \$ could be anything since we don't know base potential.
I hope someone could explain this matter from mathematical aspect using nodal analysis. If not that way, than any other way possible.
P.S.* I tried this circuit in LTSpice and the both transistors conduct current from their emitters/collectors, but \$ V_{be} \$ look like some random spikes, which doesn't tell me anything useful.
