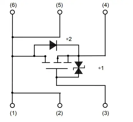
I am confused on whether this is a depletion or enchantment MOSFET and I am wondering if anyone could figure it out. I need a depletion MOSFET for my circuit and can't figure out if this MOSFET is one.
Here is the link to the MOSFET:
https://lcsc.com/product-detail/MOSFET_ROHM-Semicon-RTQ025P02TR_C79602.html


