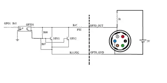
I've been working with an opto-isolated output for a high-speed camera I'm interfacing with and was a little puzzled by the circuit they were using for an opto-isolated open collector output. As far as I can tell, the NPN photo-transistor is configured in a darlington pair with two parallel NPN BJTs. I assume they've done this to increase the current the circuit can sink. According to other posts R67 provides a current path to switch off the second stage quicker and prevents leakage current turning the BJTs on.
What I can't figure out is why the designers of this circuit have included R66 in their design. Does anyone know why a base-collector resistor would be included when the BJTs should be acting as a switch? Or what the advantage of this configuration is?
Unfortunately I don't know the part-numbers or values for any components since the only schematic I have is from their documentation. Any thoughts would be helpful, I've ammended the original schematic with an external pull-up resistor and power supply.
EDIT
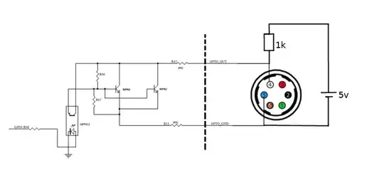
I have improved the circuit diagram because it had been laid out weirdly.
