I saw the following voltage divider on YouTube:
And I saw it is a so-called voltage divider using capacitors: Capacitive Voltage Divider as an AC Voltage Divider
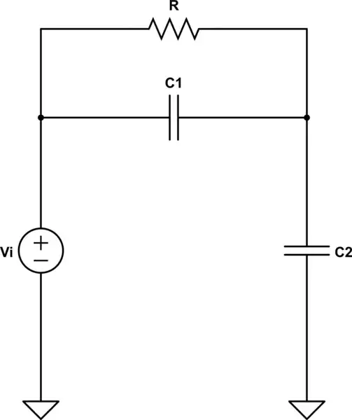
And I thought to implement the following circuit:

simulate this circuit – Schematic created using CircuitLab
Based upon the site, I find with a 10 µF capacitor and 220 V 50 Hz AC the voltage across C1 is 99 V and not 110 V.
Based on the site's formulas, the C1 + C2 "resistance" is about 637 Ω.
The reason why I need to do this is to make an el-cheapo heatgun on a leftover 120 V soldering iron that I cannot use because in Greece where I live the power is in 200 V AC and if I plug it in it may cause harm to myself and be fried as well.
So I want to ask:
- Is a good idea to use a voltage divider as power supply to soldering iron as heating element?
- Do I need smaller capacitors?
- Will electrolytic capacitors fit the job for my application?
The soldering iron is a 60 W one. The idea is to implement something like this:
How to Make Hot Air Gun from Soldering Iron
In order words, to place a cheap 12 V pump as air flow and pass it from a soldering iron tip.
