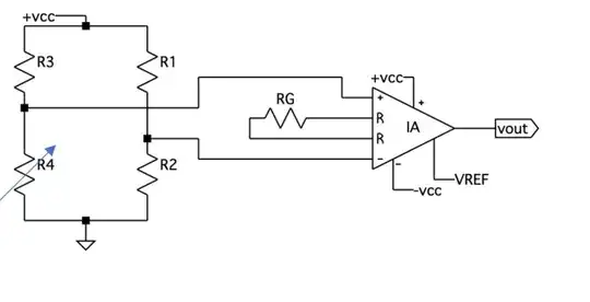
I am trying to solve this circuit in order to compare to regular Op Amp thermistor circuits. I'm using R4 as an NTC thermistor that ranges from 25ºC (6.24kOhm) to 40ºC (2.663kOhm), and VCC as 5V and i want to get an output voltage from 0.1V to 4.9V (going for arduino) R3 is 5kOhm once it's the value of R4 at room temperature. How does this type of Amplifier work? Should I consider R1 and R2 any resistances and then only ajust Rg and Vref to manipulate the input voltage to 0.1-4.9? Thank you for your atention. The Amp is an AD620A.
Asked
Active
Viewed 263 times
2
-
Search on "Wheatstone Bridge" – Scott Seidman Dec 11 '21 at 18:21
-
@ScottSeidman already did, how would i define a gain range from 0.1-4.9V from the IA by having the interval of voltage from the outputs of the bridge? – electrical129084 Dec 12 '21 at 18:31
1 Answers
1
See this wonderful explanation from @VoltageSpike to offset the output voltage when the bridge is matched (room temp) and yet produces the 0.1V you desire. The gain should be calculated from the 40ºC difference voltage of the bridge.
icodeplenty
- 790
- 4
- 10
