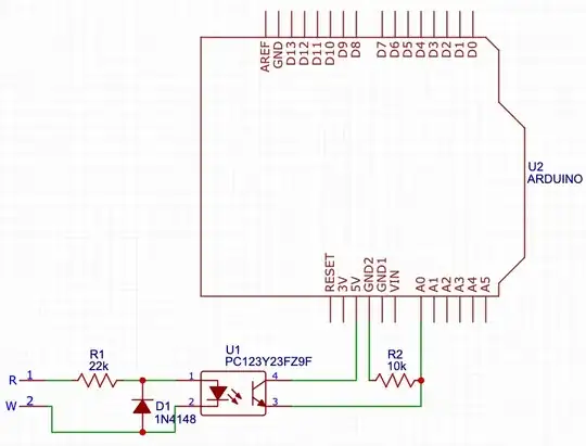
I have a 2 wire thermostat. R is +24VAC, W is Heater. I have no Ground wire (C), and I cannot open the thermostat.
When the heater goes on, the thermostat internal relay gets powered and connects R and W together.
How can I detect when the heater is on from those two wires?

