I am attempting to use SPI communication between a Master Arduino Mega 2560, and standalone Slave Arduino Unos (4, to be exact).
The intention is for the Unos to do some trivial work and produce one byte of data that the Master will take from it, whenever needed. They produce this byte very quickly, and the SPDR is updated with a holding variable (a byte) when the slave is interrupted. The Slaves do not take data from the Master.
The standalone platforms are working 100% (doing the work without problem), and using a single Slave to perform the work, create the byte of data, and have a Master take that data from it, is also working 100%.
The issue When all four slaves are connected (all being powered from the Master), all sharing the MISO, MOSI, and SCK lines, each with its own unique SS line, I am getting xFF for my data byte (garbage data) from the primary slave. I am using the default Mode 0, and the SCK lines are tied to ground via a 0.1uF capacitor (to smooth the clock signal)... All other SPI lines are wired directly.
The other three slaves are floating their MISO lines (third state), and the Master has all four SS lines as outputs, and all are pulled HIGH in the Master setup. The primary slave I am attempting to communicate with is SS connected to the main SS on the Master (pin 53 on a Mega). I pull the pin LOW, grab the byte from the Slave, and then pull the line HIGH... still garbage.. but only when all four slaves are 'hooked up', like I said, it works fine with one Master, one Slave.
Anyone have thoughts as to what I could be neglecting, missing, etc??
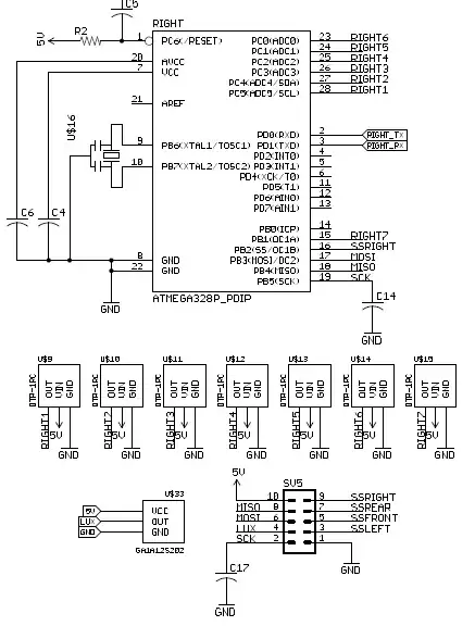
Here is the slave schematic. What you can't see is that VCC and AVCC are tied to the 5V line from the 10-pin header (the connection to the master).

The external power supply I am currently using is added in parallel to the 5V/Grnd you see in the schematic. The power supply has a max current draw at 5V of 10A, so I'm pretty confident that power is not my issue now, unless I have missed something.
I just realized that the imgur image is hard to see, here is a cut-away that should be clearer.
