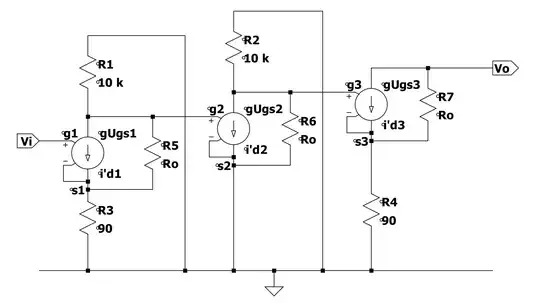
I am trying to find the output resistance \$Rout\$ of this circuit consisting of 3 n-type MOSFETs.
It is given that all 3 MOSFETs have \$g_m=4 mA/V^2\$ and output resistance \$R_o=100k\Omega\$.

simulate this circuit – Schematic created using CircuitLab
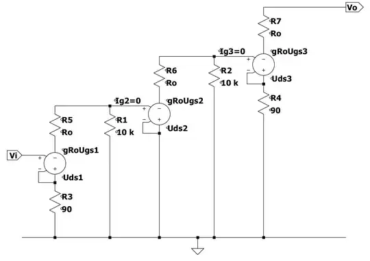
The given answers to the question are to use a small-signal equivalent circuit and then just use \$Rout=R_4+R_o=100.09 k\Omega\$
The method I used was different but also uses a small-signal equivalent. My working is shown below and I get an answer of \$136.09 k\Omega\$
The equivalent MOSFET circuit has a voltage-dependent current source. I was always taught that to find the effective resistance when a dependent source is present, you can't simply add/shunt resistances together, you have to 'excite' the circuit with a voltage/current source and measure the resulting current/voltage from that source.
A quick explanation of my method: I first set input voltage to zero and 'excite' the circuit with a 1A source between VDD and the drain of the 3rd MOSFET since this is where the R_out arrow points between. The first two MOSFETs do nothing and then R_out is equal to the voltage across the 1A source divided by 1A which is just the voltage at the 3rd MOSFET drain. I then just do nodal analysis on the drain and source nodes to find the drain voltage. Note: I accidentally wrote R_out as R_o in my working.
I also simulated my circuit in PSPICE which resulted in the same drain voltage as in my answer.
Which answer is correct and if I'm wrong, where am I going wrong? Thanks for any help.

doesn't come up with a picture.
– joe electro
Nov 03 '18 at 13:07
In which 
