How can I calculate low and high frequency in my circuit? I have used an 8-ohm speaker.
-
my spekaer is 10watt 8 ohm – REDi Jun 07 '20 at 17:20
-
16V supply is not enough for 741 to work reliably: https://electronics.stackexchange.com/questions/304521/reasons-not-to-use-a-741-op-amp – MarkU Jun 07 '20 at 21:32
2 Answers
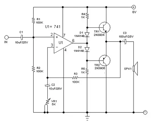
The low frequency will be limited by the three high-pass filters of C1, C2 and C3. The most limiting filter is the one at the output (C3), resulting in a cutoff frequency of about 200Hz.
The high frequency will be limited by the gain-bandwidth product and the slew rate of the operational amplifier. The renowned 741 is not optimal in this respect with a gain-bandwidth product of only 1MHz. A TL071, an LF356 or a MCP6293 would probably be a better choice.
With an power suply voltage, the amplifier can only produce an output voltage with an amplitude of much less than 3V. At a frequency of 20kHz, the slew rate will only be \$0.37 \frac{V}{\mu s}\$. However the sine power will be less than 0.5W.
- 294
- 1
- 7
Did you find a 53 years old 741 opamp that works with only a 6V supply? Did the amplifier work? Was its output limited to a power in the speaker of only 123mW or less?
I simulated only the output transistors, their 1k bias resistors and the diodes, assuming a "perfect" opamp that has no losses. The output power is puny but could be even less.
The 100uF output coupling capacitor cuts all bass frequencies.
- 4,348
- 6
- 10
