I would like to understand the design of the L239D IC. I have read the schematics and datasheet and know how to use it but I wish to know a little more about its design.
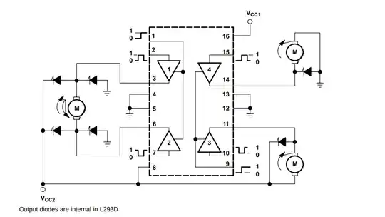
The left part of this image shows half of the circuit for one motor (I think,) for the input high of pin 2 and low of pin 7 it should be connecting the motor to rotate in one of two directions. The problem is I can't determine from this schematic which direction the motor will rotate for either input.
I have seen a simplified image for the same circuit except for using 4 transistors in it to control the direction and it makes a lot of sense in contrast of the first image of the IC:
I just need a simple detailed explanation of the IC working in the first image.


