I was studying the L298 datasheet and I noticed something;
So basically an H-bridge contains two PNP and two NPN transistors as shown in the image:

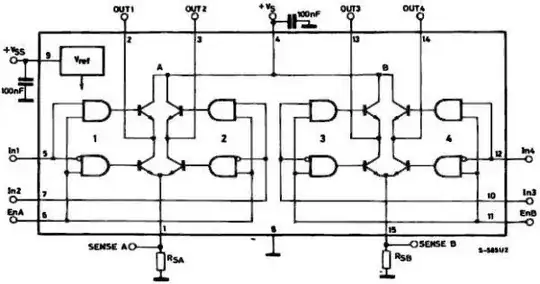
but in the datasheet, there are no PNP transistors used. There were some tutorials out there on how to make an H-bridge with only NPN transistors but the L298 circuit doesn't look like any of them:
What am I missing here?
