1

I have a circuit as follows,

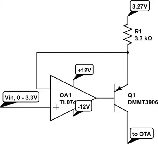
schematic

simulate this circuit – Schematic created using CircuitLab

which provides a control current to an OTA as \$i_\mathrm{abc} = (3.27\mathrm{V} - V_\mathrm{in})/R1\$. The reason for the reference voltage being 3.27V is that I want to make sure I can completely turn off the OTA, even after accounting for various offsets. Of course, the problem here is that when \$V_\mathrm{in} > 3.27\mathrm{V}\$, the op-amp tries to push current in the reverse direction, which it can't do, and therefore saturates at around 11.5V. In this case, the BJT has about 8.5V of reverse voltage, which is in excess of the datasheet absolute maximum reverse voltage of 5V.

There's of course the standard solution of throwing in a diode in the reverse direction to protect the BJT and satisfy the op-amp, but as the board has already been routed and prototyped without the diode and it's really cramped, avoiding the diodes would be really nice. The board does work at least this far, so the transistor does not fail immediately (or in about half a year time span).

So my question is: considering that I'm breaking the absolute maximums here, what is the danger of the transistor actually breaking/degrading significantly? Note that even if it goes to reverse breakdown, the reverse current will be at most about \$0.03V/3.3k\Omega \approx 9\mu \mathrm{A}\$, i.e. the power will be correspondingly small. Measured from the prototype, the actual values are \$4\mu \mathrm{A}\$ and \$33\mu\mathrm{W}\$. The product will be manufactured in quantities of some hundreds of pieces, and there's 10 circuit blocks such as above per board, so lifetime failure probabilities on the order of one in a few thousand are likely to manifest themselves.

Timo
  • 1,179
  • 1
  • 13
  • 31
  • Do you have a lower (+) rail voltage you can use instead of +12? – jonk Aug 18 '20 at 07:39
  • Only 3.3V, which isn't enough for the TL074... of course, it might make sense to see if throwing in a 5V regulator and routing that current would be cheaper and easier than adding the diodes, since this is indeed repeated 10 times on the board... – Timo Aug 18 '20 at 07:42
  • 1
    You could try replacing the BJT with a P-channel mosfet. – user57037 Aug 18 '20 at 07:42
  • @Timo I thought maybe there was only +12 and +3.3. But I had to ask. – jonk Aug 18 '20 at 07:45
  • Also, you should discuss this with the manufacturer of whichever 3906 you are using. They can tell you if that is the real reverse breakdown or if it can tolerate more. I think it is a big deal to violate absolute maximums. You need to do a lot of validation to trust that it is OK. – user57037 Aug 18 '20 at 07:46
  • 1
    @mkeith yes, thanks for spotting that, corrected! It's a dual, but of course a PNP. – Timo Aug 18 '20 at 08:00
  • I would add a base resistor (a resistor between opamp output and base of PNP) which would limit the current when the PNP's BE junction goes into breakdown. If you limit the current, breakdown should not harm (the same is done when using a Zener diode). A 1 kohm resistor could do the job. – Bimpelrekkie Aug 18 '20 at 08:00
  • @Bimpelrekkie the resistor is about the same size as a diode, so it's not much easier to place and route. Note that R1 does limit the current as long as the op-amp feedback loop is stable, though. – Timo Aug 18 '20 at 08:05
  • The issue with the BE reverse breakdown voltage is that it is highly unpredictable so the guaranteed value in the datasheet will be a low (conservative) number so that any transistor (even the monday morning ones) will have a higher breakdown. If the breakdown of a transistor is for example 5 V but you apply a "hard" 6 V and 1 A starts to flow, obviously you break the transistor. However, if you apply 10 V through a current limiting resistor, the transistor will limit the voltage to the breakdown voltage, only a small current will flow and nothing will break. – Bimpelrekkie Aug 18 '20 at 08:06
  • I don't know. If I were going to touch the circuit at all I think I would touch it in such a way that the problem is very decisively fixed. There are some very small two lead diodes out there the size of 0402 resistor. – user57037 Aug 18 '20 at 08:11
  • Note that R1 does limit the current Correct so the current is already limited in all situations, not only when the regulation loop is working. When $V_{in}$ = 0, what is the current through R1 and what is the $V_{BE}$ of the PNP? – Bimpelrekkie Aug 18 '20 at 08:12
  • @Bimpelrekkie from the actual circuit, when Vin = 0 (which is NOT the reverse bias case) the current is 1mA and $V_BE = 580m\mathrm{V}$. I take it you actually wanted to ask for when Vin = 3.3, which is the reverse case? Then $V_BE = -8.15\mathrm{V}$, and the current through R1 is $4\mu\mathrm{A}$ (calculated from the voltage being 13$m\mathrm{V}$ ). So it appears the transistor is indeed in reverse breakdown, but with a very small current. However, unlike I said in the question, the power is $33\mu \mathrm{W}$. – Timo Aug 18 '20 at 09:40
  • 1
    @mkeith agreed, adding the diode isn't exactly that hard, it's just really inconvenient. But basically any modification that involves adding components is going to be at least as difficult, so might then just as well add the diode. – Timo Aug 18 '20 at 09:42
  • I take it you actually wanted to ask for when Vin = 3.3 You're right, I was (mistakenly) thinking 0 V = low current but this OTA is "upside down" ;-). 4 uA and 33 uW doesn't worry me at all so I think you can leave the circuit as is. To me the 4 uA sounds like the PNP is getting close to its breakdown region but it is not there yet. If close to a mA would flow then I'd call it breakdown. – Bimpelrekkie Aug 18 '20 at 09:45
  • @mkeith the p-mosfet you suggest is starting to look tempting, while it means rerouting these sections, there's no new components so it should be easyish. I'm looking at https://www.digikey.com/product-detail/en/nexperia-usa-inc/BSS84AKS-115/1727-6480-1-ND/2763928 and I checked in spice that it should work, but I'm still a bit worried if I'm missing something that could go wrong... – Timo Aug 18 '20 at 15:02
  • When I suggested the mosfet, I was thinking it would be a direct substitution into existing boards. But when I tried to find a dual mosfet with the same pinout as your dual BJT, I could not find one. If it requires re-layout, it may still be a good solution, but you will need to do some validation work if you use it. My biggest fear would be that ESD may damage the mosfet gate. BJT's are usually a bit more robust vs ESD. – user57037 Aug 18 '20 at 15:39
  • Also the mosfet may present a more capacitive load to the op-amp. The BSS84 is reasonably low in capacitance. But it is still different from a BJT. – user57037 Aug 18 '20 at 15:41
  • Basically, with the mosfet, I would check that the output shows no signs of instability to step input on several pieces, then do ESD testing, and if it was OK on those two things I would be satisfied. But ultimately it is on you to make sure everything works. Not me. ;-) Conceptually it is just a voltage follower. The three main differences between BJT vs MOSFET followers are capacitive loading, smaller DC current, and usually higher and more variable gate/source voltage drop compared to Vbe of BJT. – user57037 Aug 18 '20 at 16:12

1 Answers1

3

Sustained reverse breakdown of the base-emitter junction of a BJT will cause gradual degradation of HFE.

In some cases it can also cause unusual photo-emission effects where light coming from the junction in breakdown can cause photo-current or even photovoltaic generation in other junctions.

Keeping the current low reduces the rate of decay so that is in your favor.

Are Reverse Biased transistors stable?

Kevin White
  • 33,153
  • 1
  • 48
  • 78