How can we find the topology of an amplifier's feedback?
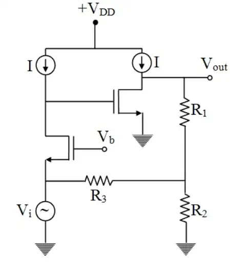
I was asked to find the feedback topology of the following circuit, 
The following observation is made by me:
- Since the o/p voltage is connected with the feedback directly i.e R1, it will reduce the overall o/p impedance of the amplifier and hence we can say that the circuit is shunt sampling
- Similarly the i/p impedance is reducing due to R3 connected directly to the I/p.
So it must be shunt-shunt feedback, But the answer given is shunt series feedback, so where I get wrong?