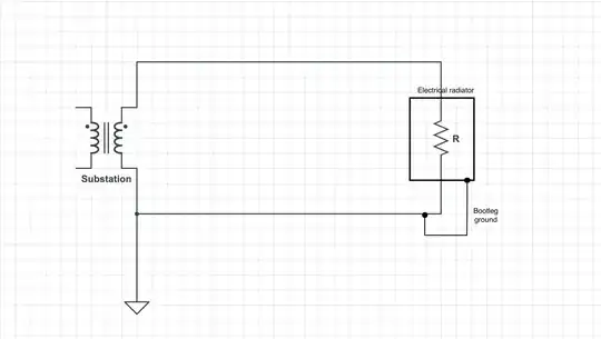
I know that bootleg ground is dangerous and should never be done, I am just using it as an example for my question, I probably have a fundamental misunderstanding about current flow and voltage, because, by my reasoning, the chassis of an appliance, if connected to neutral wire while the appliance is turned on (so, hot wire is connected to the neutral wire inside of appliance circuit) should have the same voltage on it as the hot wire. See this picture:
The reason I think that, is because neutral wire and hot wire are only different when they are not connected, once they are connected, both hot wire and neutral wire become the same wire, right? So, voltage on the part of the wire that we previously called neutral should become the same as on the hot wire with respect to ground, right? And since appliance's chassis is connected to the same wire, shouldn't voltage on the chassis rise to hot voltage with respect to ground, if not why? Touching the chassis with bootleg ground should provide an alternative path for current through the person to the ground, so why doesn't this happen?
If ground and neutral are bonded at main panel, why aren't all grounded device chassis energized? - This question seems to be actually the same as the one I have, because I also don't understand why chassis of appliances does not have voltage in a TN-C-S system where ground wire and neutral are bonded at the service panel, don't they become the same wire if they are bonded?
To summarize: If neutral wire and hot wire are connected through a load, don't they become the same continuous wire which should have mains voltage on it with respect to ground? In a TN-C-S system don't ground wire and neutral become the same wire if they are bonded at the service panel?
Edit 1: changed the picture per comments.
Answer: I revisited Ohm's law and understood the answer to my question. My problem was that I was mixing the fact of something being grounded directly causing the effect of everything being in the below (neutral) part of the circuit at 0V relative to each other. When in fact I should be thinking of everything on the ground as resistors connected in parallel to the neutral, the voltage drops at the radiator making it close to 0 for everything else, a person touching neutral is like a resistor in parallel to resistance of neutral.



