I'm currently working on a very simple mixing table, and everything works fine except that when I connect the VU meter (using a Y splitter from the master output, one end going to the audio output jack and the other to the VU meter), it produces a high pitched noise that gets into the master output. How could I fix that?
-
1Note that most audio circuitry involving op-amps use split supplies, such as +/-12v. This allows the AC audio signal to have a 0VDC bias, making life easier by using simple AC coupling capacitors between stages. Confining an audio signal to 0-9v means the audio signal must have a DC bias, such as 4.5V. There are many reasons why split supplies are used. – rdtsc Dec 16 '20 at 13:27
-
@Javier If you are finished with this question now you should take the tour to see how to wrap up the process. – Andy aka Dec 17 '20 at 09:39
2 Answers
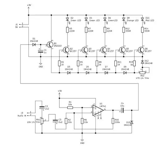
Here's a clue: -
If you read the data sheet for the 1968 vintage dinosaur op-amp aka the 741 you would see this: -
If you converted to the μA741 you can run on supplies as low as +/- 5 volts: -
But, the 741 is a crock of sh1t poo really and you should be using something a little more modern.
Reasons not to use a 741 op-amp?.
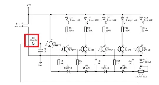
However, if you want to resolve this methodically, remove D1 here: -
And see if the problem you get is still present. If the problem is still there at least you know it's something to do with the 741 circuit.
- 456,226
- 28
- 367
- 807
-
Oh... Didn't see that... What would be a suitable replacement? TL071? – Javier Soto Dec 16 '20 at 12:30
-
It's certainly able to run from lower supply voltages and if you have one you can try it but, it's probably worth removing D1 as per my late modifications in my answer. – Andy aka Dec 16 '20 at 12:36
-
I'll give it a try, see what happens! Thank you very much for your quicks answers! – Javier Soto Dec 16 '20 at 12:41
-
Also take note of what @RoyC said - you might find that this has some benefit too but, there's no getting away from the reality of the 741 being a poor choice for anything these days. – Andy aka Dec 16 '20 at 12:47
-
-
probably too late, but there are a number of dedicated ICs that do this job very well, and have nice extra features - notably the venerable LM3914. You are reinventing the wheel a bit here. – danmcb Dec 17 '20 at 09:18
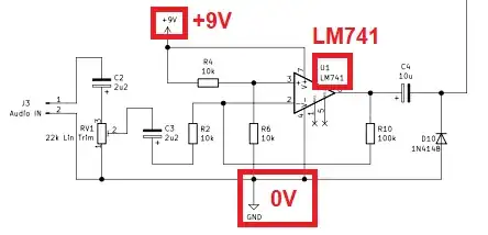
The only source of that sort of noise would be the op-amp oscillating. I note that there is no power supply decoupling on the op-amp. Try connecting a 0.1uF capacitor across the power supply pins to the op amp and another between pin 3 and ground.
- 9,617
- 6
- 25
- 42
-
Adding the two capacitors has solved the issue! But I'll replace the LM741 anyways. Many thanks to both of you! – Javier Soto Dec 16 '20 at 15:52




