I need help solving this task, if anyone had a similiar problem it would help me.
The task is:
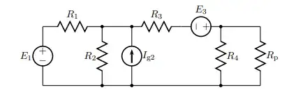
Determine the power dependence for an electrical circuit current through the receiver Rp in relation to all generators in the circuit. What is the contribution current through the receiver of each of the generators separately?
I tried this:
$$Re_1=\frac{R_p\cdot R_4}{R_p+R_4}$$
$$Re_2=Re_1+R_3$$
$$Re_3=\frac{Re_2\cdot R_2}{Re_2+R_2}$$
$$ U_{AB}=\frac{E_1}{R_1+Re_3}\cdot Re_3$$ $$I_{11}=\frac{U_{AB}}{R_p}$$
Is this right for I11?
Thanks in advance !








