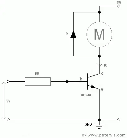
Suppose the DC motor has a peak current of 500ma and after that it drops to 100ma, the transistor can switch continuously 200ma.
If I limit the current of the transistor from the base current to 100ma, for some reason could the transistor consume a higher peak than that when starting the motor or would it be limited to 100ma?How effective is limiting hfe gain against inrush currents?
