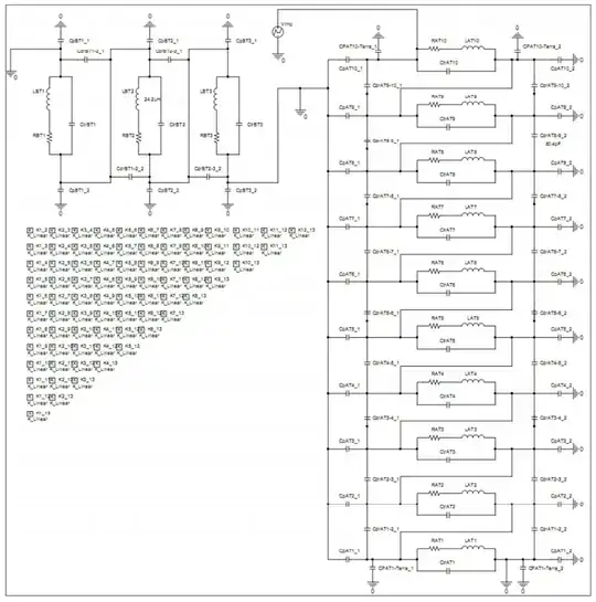
Using a technique to model transformers for a wide frequency range, I got at a circuit like this one: https://1drv.ms/u/s!AhR86nrv-ZA7ivoz9BZIoXfs4GwXIQ?e=L6mcKd
LTSpice takes a long time to solve this circuit, being prohibitive. If I remove the mutual inductances, the circuit is solved much more quickly. However, mutual inductances do not change the number of nodes in the circuit.
Does anyone get a clue on how to solve the circuit quickly on LTSpice?
*Some background about the circuit, it's very similar to this one below, but bigger and with a lot of mutual inductances.

K L1 L2 L3 ...will do. Otherwise, that schematic should not pose any problems, particularly since it looks to be completely linear. If you could share the contents of your LTspice.ascfile, I'll take a closer look (otherwise, recreating the schematic by myself won't ensure that I have the same build as you). Plus, the picture is very fuzzy for my eyes. – a concerned citizen Jan 30 '21 at 00:29Tools > Export Netlist). – a concerned citizen Jan 31 '21 at 14:47So I believe that the biggest chance is that the problem is really the number of nodes and not the mutual inductances.
– Luiz Oliveira Feb 01 '21 at 15:49