I have found this exercise online, I'm currently learning about current mirrors and I don't really get this concept of a transistor acting as a load. Can someone explain? Which transistor is an active load for which transistor?
-
1This is an excellent circuit to study fully. It would be a great thing for you to spend time and look over the entire diagram and work out the function of every element in it. Something along the lines of what I did here. This is a great way to gain important insights that will stay with you for a long time to come. – jonk Mar 29 '21 at 19:03
-
The 741 architecture is explained in depth in many books. I think even the Horowitz says something about it. It's made of 'standard' cells so everything in there is useful to know (if you are in transistor discretes or microelectronics, of course) – Lorenzo Marcantonio Mar 30 '21 at 06:56
1 Answers
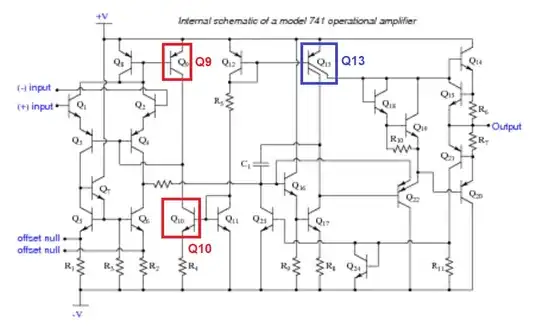
Can someone explain? Which transistor is an active load for which transistor?
The main usage of BJTs as active loads is in (for example) class A amplifiers. The circuit you have shown is a class AB design (a standard op-amp design) and they use a push-pull output stage so no active load on the output. However, Wikipedia defines an active load as this: -
Most commonly the active load is the output part of a current mirror and is represented in an idealized manner as a current source.
So, on that basis, the active loads are shown below: -
Although Q9 and Q10 (red boxes) are fundamentally parts of their own respective current mirror circuits they are acting as loads to each other and therefore should be considered (as per the wiki definition) as active loads.
You could make an argument that Q13 (blue box) is also an active load to Q17.
- 456,226
- 28
- 367
- 807

