Oh, heck. Much as I hate writing short answers, this one is okay I suppose. (But luckily I found a way to make it longer!! Hehe.)
Yes, you can do that transformation. However, the magnitude of your added left-side \$V_2\$ symbol in your \$B\$-circuit would not be the same as the magnitude of the right-side \$V_2\$.
Just to be clear, you can simply move your right-side \$V_2\$ symbol over to the far left of \$A\$-circuit, erasing the right-side version. Nothing has changed when you do that.
Now you can see that you have \$V_2\$ across a voltage divider pair of resistors, \$R_1\$ and \$R_2\$. Any voltage divider like this can be replaced with the Thevenin equivalents of the voltage source/divider pair: \$V_\text{TH}\left(V,R_x,R_y\right)=V\cdot\frac{R_y}{R_x+R_y}=\frac{V}{1+\frac{R_x}{R_y}}\$ and \$R_\text{TH}\left(R_x,R_y\right)=\frac{R_x\,R_y}{R_x+R_y}=\frac{R_x}{1+\frac{R_x}{R_y}}\$, where in your case \$R_x=R_1\$ and \$R_y=R_2\$ and \$V=V_2\$.
When you make the replacement, though, do NOT forget that you still have \$V_2\$. It doesn't go away. Your \$B\$-circuit is correct in that sense. You kept \$V_2\$. However, your left-side \$V_2\$ is really now \$V_\text{TH}\$.
There is another mistake in your \$B\$-circuit. You retained BOTH \$R_1\$ and \$R_2\$, it appears. When you make the transformation, there is only \$R_\text{TH}\$ in series with \$V_\text{TH}\$ to the same node. There is no longer any \$R_1\$ and \$R_2\$.
So even if you take your \$B\$-circuit and replace the left-side \$V_2\$ with the newly computed \$V_\text{TH}\$ and replace \$R_1\$ with the newly computed \$R_\text{TH}\$ -- both correct things to do -- you are still left with that wayward \$R_2\$ there, which is definitely wrong. You need to get rid of \$R_2\$, entirely, now.
Does this help sufficiently well?
Or do you need to see a progression of diagrams?
Speaking of which, I think you could do a LOT better if you'd follow an addendum I'm adding on re-drawing schematics. You should get into a regular practice of re-drawing every schematic that faces you, too. It's just the right thing to do -- every time.
I'll re-draw yours here below. But go read the addendum to see how/why I did it. Then tell me... does it read better? I think so:

simulate this circuit – Schematic created using CircuitLab
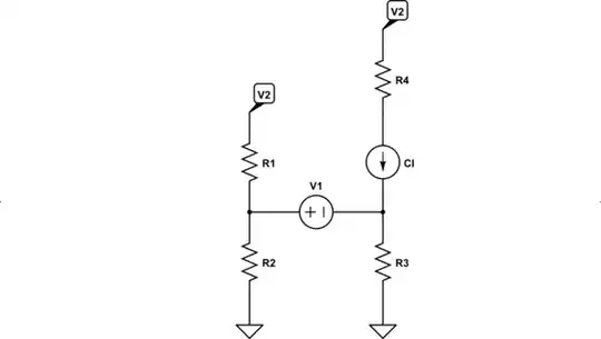
Now I can easily see a few things to transform:

simulate this circuit
And since a current source has infinite impedance it follows that \$R_4\$ is completely irrelevant. It's nothing when compared to \$\infty\:\Omega\$. All its presence does is to change the voltage across \$C_I\$. But it does not affect the circuit. So it now becomes:

simulate this circuit
Note that I didn't even keep the voltage node at the top of the current source. That's because it doesn't matter, either. All it does is to also change the voltage across \$C_I\$. And that makes absolutely no difference whatsoever to analyzing the circuit for its most important unknowns.
You now have the simplified diagram, which should be readily analyzed.
Well.... You could simplify it still further. Do you see yet another divider pair there? Yes, you could make it still simpler!! But maybe then it would be too simple. At least with the above, you can work out the voltage across \$R_3\$, from which all the rest becomes easy when going back to the earlier simplified diagram!
Redrawing Schematic Addendum
Rules to live by are:
- Arrange the schematic so that conventional current appears to flow from the top towards the bottom of the schematic sheet. I like to imagine this as a kind of curtain (if you prefer a more static concept) or waterfall (if you prefer a more dynamic concept) of charges moving from the top edge down to the bottom edge. This is a kind of flow of energy that doesn't do any useful work by itself, but provides the environment for useful work to get done.
- Arrange the schematic so that signals of interest flow from the left side of the schematic to the right side. Inputs will then generally be on the left, outputs generally will be on the right.
- Do not "bus" power around. In short, if a lead of a component goes to ground or some other voltage rail, do not use a wire to connect it to other component leads that also go to the same rail/ground. Instead, simply show a node name like "Vcc" and stop. Busing power around on a schematic is almost guaranteed to make the schematic less understandable, not more. (There are times when professionals need to communicate something unique about a voltage rail bus to other professionals. So there are exceptions at times to this rule. But when trying to understand a confusing schematic, the situation isn't that one and such an argument "by professionals, to professionals" still fails here. So just don't do it.) This one takes a moment to grasp fully. There is a strong tendency to want to show all of the wires that are involved in soldering up a circuit. Resist that tendency. The idea here is that wires needed to make a circuit can be distracting. And while they may be needed to make the circuit work, they do NOT help you understand the circuit. In fact, they do the exact opposite. So remove such wires and just show connections to the rails and stop.
- Try to organize the schematic around cohesion. It is almost always possible to "tease apart" a schematic so that there are
knots of components that are tightly connected, each to another, separated then by only a few wires going to other knots. If you can find these, emphasize them by isolating the knots and focusing on drawing each one in some meaningful way, first. Don't even think about the whole schematic. Just focus on getting each cohesive section "looking right" by itself. Then add in the spare wiring or few components separating these "natural divisions" in the schematic. This will often tend to almost magically find distinct functions that are easier to understand, which then "communicate" with each other via relatively easier to understand connections between them.
- You get to choose exactly one node and call it "ground." If the purpose of redrawing the schematic is for understanding it, then choose a node that helps achieve that. When signals are single-ended, they share a common node and you should select this common node as "ground." If the purpose is for analysis, then you can select this for the purpose of reducing the equation complexity. Often, this will mean the node that is "busiest" (has the most terminals attached to it.) Either way, make this choice wisely and it will help a great deal.
The above rules aren't hard and fast. But if you struggle to follow them, you'll find that it does help a lot.
You can read a snippet of my own education by those schematic draftsmen at Tektronix who trained me by reading here.