My questions is, as a complete newb, what does "pull up" to pull the data line if none of the chips are pulling it low" - actually mean in regular English.
Yes, that's an unfortunate use of English, aimed at reminding the experienced people what's happening, rather than helping the newbs. It uses the word 'pull' twice, to mean two different things.
It also uses the direction 'up'. This comes from the convention that when we draw schematics, we put positive to the top of the paper and ground at the bottom, so that currents tend to flow 'down'. That's one of the reasons we don't like 'cartoons' (even labelled ones) (there are plenty of other reasons), as they tend not to follow this convention. 'dellebal' si sdrawkcab ecnetnes A. But it's much more difficult to read than the orientation you're used to.
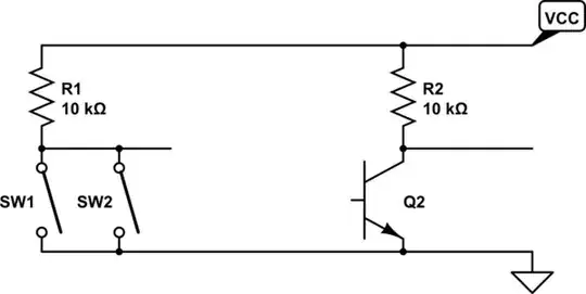
Here are some pullups, used with switches, and an open collector output

simulate this circuit – Schematic created using CircuitLab
People often ask what value resistor should be used for a pullup. It's a compromise.
- large resistance to make the 'strength' much weaker than the bottom driver, so that when it's on, the bottom driver can 'win'
- small enough to drive whatever is following, so that when all the bottom drivers are off, the pullup can 'win' against the load (so it can be different between logic families or non-logic loads)
- small enough to charge the load's capacitance quickly enough (see how this consideration affects choice of pullups for I2C for instance)
- large to avoid wasting too much power (different considerations for battery and mains-powered devices!)
- 10 kΩ is often a good 'first stab' which will work in many situations
To summarise the drive strength issues, I'd like to rewrite your original quote a little as
- ... to pull the data line if none of the chips are driving it low"
One of the uses of a pulled-up signal line is that any low-side driver can pull it low, performing a wired-OR function. That's why I've drawn two switches on R1's line. If either close, then the line goes low. So to finally answer your question ...
- If none of the switches (or output drivers represented by switches) are driving it low, then R1 'pulls' that output line 'up' to VCC.
Why do we call it 'wired-OR' when it's obviously a 'wired-AND'? Because back in the 'old days' of TTL, the 'negative logic' convention (low is 'active', high is 'off') was used predominantly for controls, for good engineering reasons of noise margin and direction of bias current flows (a load sourced bias current, so a pull-down had to be unreasonably small). While this was convenient for circuit design, it confused newbs then, and it confuses even more now that TTL has been essentially replaced by CMOS. The noise margin argument remains but is weakened, but the bias currents have vanished. However, the wired-OR name has stuck.