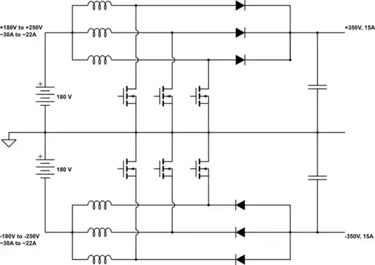
I'm looking for an efficient and fairly cost-effective way to boost the voltage of a center-tapped battery pack (+/-180V to +/-250V) to +/-350V. The output load is quite variable anywhere from 0.5A to 15A What's a good topology for this application?
Is a 3-phase converter like this a reasonable choice? Please also take a look at the orientation of the N-channel MOSFETs since I'm not 100% sure about that.

simulate this circuit – Schematic created using CircuitLab

