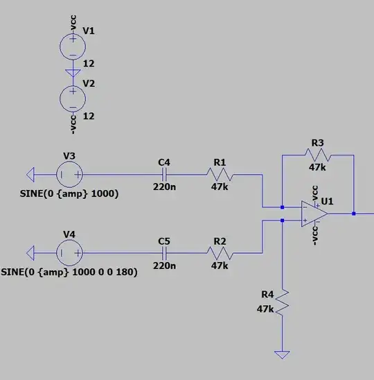
I have a unity gain differential op amp, using a grounded dual supply, with both inputs AC coupled.
Does the inverting input need a dedicated path to ground or can the DC bias current find its way to ground via the power supply?
I've searched around and haven't been able to find much regarding this particular configuration. Most of the information I've found talks about single supplies and/or op amps with only one input AC coupled.
If it matters, the op-amp I'll be using is a TL07X.


