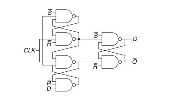
I'm trying to understand the following circuit, or better said, what must be the approach to analyze other similar ones:
What I'm doing for now is forget about the clock signal and the D input, which seems an async. reset, and try to infer the truth table.
What I see on the left is 2 SR latches made of NAND gates, whose inputs are negated, therefore they will work as normal SR latches. The part on the right is an SR latch as well. However, the 2 first latches are interconneted. I have tried to draw the RTL design but I'm unable to get something that makes sense.
What can I do?
What I have tried
Here is the above schematics ignoring CLK and D, that is, pretending they are 0:
The truth table I have for RTL 1 is:
S R Q0' Q0 Q1
-----------------
0 0 0 0 1
0 0 1 1 Q1'
0 1 X 0 -
1 0 X 1 Q1'
1 1 - - -
note:
- Qn' is the previous state of Qn.
- X is don't care
- - is unstable

