1

I read how to build a discrete LM 741 op amp here. I tried to simulate it in LTspice:

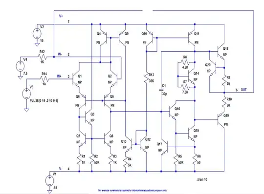
enter image description here

When I increase the sine wave frequency to make it operate at a higher frequency (10kHz,) the square waveform seems to be distorted. Are there are any methods to make it work nicely at 10kHz or higher frequency? Do I use to better transistors, smaller capacitance, or what?

devnull
  • 8,517
  • 2
  • 15
  • 39
Testing Su
  • 53
  • 6

3 Answers3

2

30 pF capacitor C1 forms a single-pole lowpass filter. This is intentional, and keeps the opamp from breaking into oscillation at high frequencies and low gain. However, it also reduces the gain-bandwidth product for the part. Compare the datasheets for the GBW of the NE5532 and NE5534 to see how this affects performance.

AnalogKid
  • 19,998
  • 1
  • 13
  • 32
2

The LM741 example circuit that comes with LTspice has a relatively low bandwidth (the gain is 3dB down at around 60 KHz).

I wouldn't expect this circuit to act like an actual LM741, but it might be useful for learning about the inner workings of a bipolar opamp (albeit a rather dated design).

Capacitor C1 is used for what is called Miller compensation. It's purpose is to improve the amplifier's stability and prevent oscillation and ringing. It also affects the bandwidth and slew rate of the amplifier.

You can increase the bandwidth and slew rate by lowering the value of C1. Try cutting it down to 1/10th it's value, 3pF. This will reduce the distortion you are seeing. It may make the circuit less stable though.

GodJihyo
  • 22,826
  • 1
  • 20
  • 58
0

It works as expected. Try it on an actual 741, otherwise you won’t know what to expect. A 741 is not fast enough even to amplify the full audio frequency range well. Expecting it to output a sharp square wave at 10kHz is unrealistic. Those op-amps are not fast comparators are all, and you’re using it as a comparator here. But even as a simple voltage follower, a 10kHz square wave is pushing it.

741 is meant for low frequency applications, and is plenty useful for, say, traditional bench power supplies. But you wouldn’t design a new one using it, since even the very old TL071 is a better op-amp in almost every respect.