I have been trying to make a simple guitar amplifier and I've been having a lot of trouble trying to get it to work properly. It keeps on motorboating at a very low frequency which is driving me nuts. I'm still kind of a beginner so I really don't know what I've done wrong but I'm sure there's something.
I've tried it with and without the two bypass capacitors (the 1000uF & 100nF), played around with IC1's gain and tried a few different coupling capacitor values (the other 100nF & 220nF.)
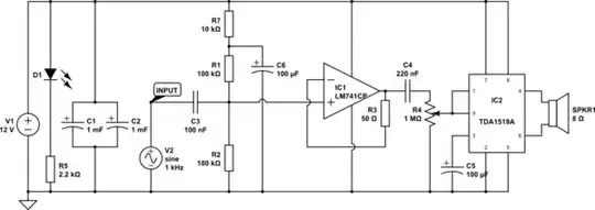
The 741 Op Amp is supposed to be more of a preamp rather than a buffer. Its gain is very low because of a long, unsuccessful debugging session. I will replace the 50 ohm with something much higher.
IC1: UA741CP
IC2: Phillips TDA1519A
Power Supply: 12V, 3A
To me it sounds like IC2 is the culprit as changing the volume control does not simply change the loudness of the motorboating but changes its behaviour.
To describe the noise the amp is making better: signal is getting through, just not how it's supposed to. I can hear the guitar, though it sounds more like it's oscillating at the same frequency as the guitar signal rather than actually going through and being amplified. It is unusable as the amp only makes noise if the signal is loud enough (I have to hit the guitar really hard and single notes just choke out). Sounds neat though.
I have also tried with the volume control bypassed to no avail.
The other thing is that the speakers are behaving as if DC is going through them.
When I turn on the power, they suddenly push to one side and stay there (they still vibrate and all but not in the middle) which is really confusing because I'm not sure how that could even be happening.
I've also gone through an LM833 kit preamp with the TDA1519A set up in an identical way to this which also didn't work.

simulate this circuit – Schematic created using CircuitLab
I thought I'd ask here before I consider IC2 a dud and try a replacement.


