0

I am converting the voltage on a kiln from AC to DC. The kiln (48 A, 240 V) holds two crucibles for melting colored glass. When I gather glass using a steel pipe for glassblowing, I receive a strong shock if I am simultaneously grounded.

I theorize that the AC current is causing changes in the glass chemistry. Glass formulas which should be deeply purple (MnO2 addition) are pale and a silver opal glass acts reduced without addition of otherwise essential reducing agents.

I have installed a full-wave bridge rectifier and even tried to add a pair of capacitors (200 V, 20000 μF) running in parallel. This promptly blew my superconductive fuses above the SCR due to a surge current to charge the capacitors. At this point, the schematic below was submitted by member @PSTechPaul to help me realize this idea:

Full Wave bridge rectifier on glass kiln

His answer is to run my capacitors in series (400 V, 10000 μF) and add a custom built 2 mH induction coil (choke) made from a microwave oven transformer, or MOT, to filter the flow of ripple current.

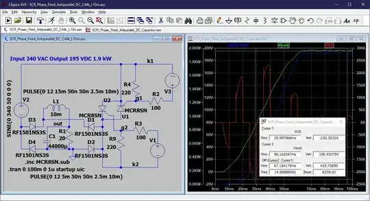
LTSpice simulation of DC heating coil conversion

I have stripped down a microwave oven transformer to a bare laminated iron core. I plan on winding the coil with 10 AWG insulated, stranded wire.

MOT stripped and ready to become a choke

The part needs an air gap as well and I'm not sure how to construct one. Lots of YouTube videos exist to build custom transformer power supplies from MOTs, but I can't find one for building a choke. I have an LCR meter on order and a small oscilloscope/signal generator as well. I think I know how to test for inductance but any tips would be greatly appreciated. Is this a proper location for an air gap (see below) or could it be slotted anywhere through the laminated iron?

I'll be limited on the ability to size the gap to a saw blade's width so hoping that works. This website looks like a great resource for this project, but I wonder if I'll be better off determining the specs on my coil as I wind it?

I found this here: http://dicks-website.eu/coilcalculator/

This question is the result of advice I received in this post: 240V (North America) bridge rectifier with parallel filter capacitors is blowing fuses above the bridge

ocrdu
  • 9,195
  • 22
  • 32
  • 42
  • What’s the core cross sectional area? – winny Aug 11 '22 at 16:14
  • 1
    Sounds like a good earthing strategy is needed. Can you explain why this is not attempted first? – Andy aka Aug 11 '22 at 16:20
  • "When I gather glass using a steel pipe for glassblowing, I receive a strong shock if I am simultaneously grounded." Hi Daniel, Molten glass conducts electricity. – vu2nan Aug 11 '22 at 16:49
  • The project you're working on is interesting in its own right, and you'll learn much from it if you don't hurt yourself. But the glass chemistry angle sounds like some alternate reality. How many people out there are doing glass blowing using AC kilns, how many have ran into it, you'd expect them to maybe publish something, share on a forum, ...? Electrochemistry certainly can take place in conductive molten salts, not only in aqueous solutions, but this shouldn't be news to anyone in that biz. Have you tried looking for any chemical references that support your theorizing? – Kuba hasn't forgotten Monica Aug 11 '22 at 16:53
  • 1
    Where did you find your "superconductive fuses"? Sounds expensive. – Elliot Alderson Aug 11 '22 at 17:29
  • 1
    Molten glass is highly conductive, even though glass is a good insulator when solid. You should discontinue use of this thing until you fix what's causing the shocks--changing to DC won't fix anything. – Hearth Aug 12 '22 at 02:34
  • http://www.glasstronics.co.uk/d.c.systems.html – Bruce Abbott Sep 07 '22 at 06:21

1 Answers1

1

Making the air gap you propose is difficult, you need to grind or otherwise remove 2 mm off the centre leg.

There is a much easier way to make the same effective length air gap, and that's to put 1 mm in both centre and outer legs. Magnetically, the two gaps are in series, giving you exactly the same effect on inductance.

Identify the welds that hold the Es to the Is, and carefully, with a hand-held hack saw, saw through the middle of the weld. It takes a little time and patience, but this retains the weld that holds each stack of laminations together. Then simply sandwich the Es and Is back together again, with a 1 mm shim of non-magnetic material between them. It can be anything, a stack of 10 sheets of printer paper, a sheet of plastic, maybe even a wood ply.

Using gaps in the external legs results in a larger external field than the internal-only gap would give you, but that should not be an issue in your application.

Neil_UK
  • 166,079
  • 3
  • 185
  • 408
  • How hot will the choke get? I need to plan the best way of holding together the sandwich. Nylon zip ties or will they melt? Other ideas. Thanks so much. – Daniel Van Antwerp Aug 11 '22 at 19:56