5

I would like to connect voltage-mode PHYs with internal terminations back-to-back.

After doing some research, it looks like simple AC coupling caps can work, but it's better to use a transformer, especially for 1000baseT.

The question is: how do I terminate center taps of a transformer?

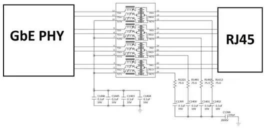
Generally, if I'm connecting a PHY to RJ45 connector, I would add center tap capacitors and Bob-Smith termination like below.

PHY_TO_RJ45

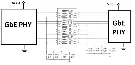
But if I am connecting a PHY to another PHY, do I still need the Bob-Smith termination? Or can I just have center tap capacitors on both sides like below? Both PHYs share same GND but are powered by different rails.

PHY_TO_PHY

ocrdu
  • 9,195
  • 22
  • 32
  • 42
jp28212821
  • 51
  • 2
  • @VoltageSpike can you provide a link? I found few questions related to this, connecting PHYs back to back. However they were questions about AC coupling caps vs transformer, not about center tap terminations. – jp28212821 Aug 14 '22 at 15:26
  • Generally, you would terminate the transformer center tap according to the PHY requiements, which we don't know. – Justme Aug 14 '22 at 20:41
  • Linking for posterity: https://electronics.stackexchange.com/questions/51754/ethernet-without-magnetics https://electronics.stackexchange.com/questions/90330/connecting-two-ethernet-phy-without-magnetics https://electronics.stackexchange.com/questions/552318/capacitive-coupling-ethernet-on-backplane – Tim Williams Aug 23 '23 at 05:01

1 Answers1

1

It's really up to the manufacturer on how you couple them. If you have a microchip PHYs you can just use the scheme below.

It probably works a little bit better with the transformer because you get some noise rejection and load balancing.

I've never seen a simulation of the two, but I'm willing to bet that the coupling caps would work just as well just as long as you did a good PCB layout and good length matching and proper spacing on the diff pairs.

As far as the caps on the transformer goes you need those they're mainly for ESD but you'd still need the AC coupling.

If you are using capacitive coupling another concern would be the DC voltage difference on the Caps that it does not exceed the value of the cap, if you're providing hundreds of volts of isolation or have a lot of noise between sections of your PCB between PHYs, I think it would also be good reason to use a transformer

enter image description here Source: https://microchipsupport.force.com/s/article/Capacitive-Coupling-for-Gigabit-Ethernet

Voltage Spike
  • 82,181
  • 41
  • 84
  • 220