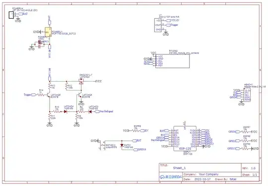
I'm building a new schematic to set up an ESP8266 m-based motion detector which should only work during the night.
My goals are:
- Use an RTC to store time and read time when ESP starts up (if not in time window, it will go back to sleep).
- The ESP8266 will be coded to disable WiFi on boot to speed up the boot process, and to limit battery drain
- The ESP8266 will only connect to WiFi when within the time window to send a signal to MQTT
I've made multiple schematics and PCBs already, but the trial-and-error is starting to cost a lost of money, so I'd like some experts to review of my schematic.
The schematics can be found here: https://we.tl/t-JaEAZL9Poa
In case some folks want to see the schematics directly, here they are:
For the expects amongst you, would you bother taking a quick look and based on your experience tell me if there are any major issues? Especially with focus on the latching circuit and the boot high/low interference I may occur when the ESP starts up that may compromise my complete schematic.


I'll see if I can put it together with wires when I find some time...
– Titi Oct 17 '22 at 09:52