I am trying to design an active bandpass filter using a uA741 op-amp, and I am having trouble finding where I made a mistake. My math seems to check out, but when I test it in PSpice it doesn't work properly. Any advice would be greatly appreciated.
-
Except for $R_2$, that looks like a bog-standard multi-feedback circuit. Describe in detail what you are getting from Pspice and how does it differ from whatever it is you expect to see? For example, I agree with your gain. So what's up? What are you trying to achieve that isn't showing up in Pspice? – jonk Nov 23 '22 at 06:57
-
1The 741 is pretty much the worst opamp you can still buy, and I hope you're not planning to use one: https://electronics.stackexchange.com/questions/304521/reasons-not-to-use-a-741-op-amp . Does it work in pspice if instead of that you use an ideal opamp. – Marcus Müller Nov 23 '22 at 07:31
-
@MarcusMüller I do think this is a "using Pspice" problem for the OP. The numerical work looks good to me, just glancing through it. An ideal opamp test would help isolate things for the OP. But, of course, ideal opamps "sind wie Hühnerzähne selten." ;) Speaking of which, I can't find your comments earlier where you listed some alternatives (which I didn't go look up and now don't remember.) I want to go back and find those phrases you wrote. Did that answer get deleted or the text moved into some chat hole? Also, are you doing your duty to change the German language and introduce a new idiom? – jonk Nov 23 '22 at 07:53
-
2The used 741 device is unable to provide the capabilities to realize your filter around 200kHz. This is true for the small-signal open-loop gain and, in particular, for the slew rate. – LvW Nov 23 '22 at 08:22
-
Update I tested on Pspice with the Ideal OpAmp and it gave the correct response thanks for the help. – Jacob Nov 23 '22 at 15:40
1 Answers
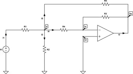
Well, let's analyze the following circuit:

simulate this circuit – Schematic created using CircuitLab
When we use and apply KCL, we can write the following set of equations:
$$ \begin{cases} \begin{alignat*}{1} \text{I}_1&=\text{I}_2+\text{I}_4+\text{I}_5\\ \\ 0&=\text{I}_3+\text{I}_4+\text{I}_5 \end{alignat*} \end{cases}\tag1 $$
When we use and apply Ohm's law, we can write the following set of equations:
$$ \begin{cases} \begin{alignat*}{1} \text{I}_1&=\frac{\displaystyle\text{V}_\text{i}-\text{V}}{\displaystyle\text{R}_1}\\ \\ \text{I}_2&=\frac{\displaystyle\text{V}-0}{\displaystyle\text{R}_2}\\ \\ \text{I}_4&=\frac{\displaystyle\text{V}_--\text{V}_\text{o}}{\displaystyle\text{R}_3}\\ \\ \text{I}_4&=\frac{\displaystyle\text{V}-\text{V}_-}{\displaystyle\text{R}_4}\\ \\ \text{I}_5&=\frac{\displaystyle\text{V}-\text{V}_\text{o}}{\displaystyle\text{R}_5} \end{alignat*} \end{cases}\tag2 $$
Substitute \$(2)\$ into \$(1)\$, in order to get:
$$ \begin{cases} \begin{alignat*}{1} \frac{\displaystyle\text{V}_\text{i}-\text{V}}{\displaystyle\text{R}_1}&=\frac{\displaystyle\text{V}-0}{\displaystyle\text{R}_2}+\frac{\displaystyle\text{V}_--\text{V}_\text{o}}{\displaystyle\text{R}_3}+\frac{\displaystyle\text{V}-\text{V}_\text{o}}{\displaystyle\text{R}_5}\\ \\ 0&=\text{I}_3+\frac{\displaystyle\text{V}_--\text{V}_\text{o}}{\displaystyle\text{R}_3}+\frac{\displaystyle\text{V}-\text{V}_\text{o}}{\displaystyle\text{R}_5}\\ \\ \frac{\displaystyle\text{V}_\text{i}-\text{V}}{\displaystyle\text{R}_1}&=\frac{\displaystyle\text{V}-0}{\displaystyle\text{R}_2}+\frac{\displaystyle\text{V}-\text{V}_-}{\displaystyle\text{R}_4}+\frac{\displaystyle\text{V}-\text{V}_\text{o}}{\displaystyle\text{R}_5}\\ \\ 0&=\text{I}_3+\frac{\displaystyle\text{V}-\text{V}_-}{\displaystyle\text{R}_4}+\frac{\displaystyle\text{V}-\text{V}_\text{o}}{\displaystyle\text{R}_5} \end{alignat*} \end{cases}\tag3 $$
When working with an ideal opamp we know that:
$$\text{V}_+=\text{V}_-\tag4$$
In this case we notice that \$\text{V}_+=0\space\text{V}\$, so we can rewrite \$(3)\$:
$$ \begin{cases} \begin{alignat*}{1} \frac{\displaystyle\text{V}_\text{i}-\text{V}}{\displaystyle\text{R}_1}&=\frac{\displaystyle\text{V}-0}{\displaystyle\text{R}_2}+\frac{\displaystyle0-\text{V}_\text{o}}{\displaystyle\text{R}_3}+\frac{\displaystyle\text{V}-\text{V}_\text{o}}{\displaystyle\text{R}_5}\\ \\ 0&=\text{I}_3+\frac{\displaystyle0-\text{V}_\text{o}}{\displaystyle\text{R}_3}+\frac{\displaystyle\text{V}-\text{V}_\text{o}}{\displaystyle\text{R}_5}\\ \\ \frac{\displaystyle\text{V}_\text{i}-\text{V}}{\displaystyle\text{R}_1}&=\frac{\displaystyle\text{V}-0}{\displaystyle\text{R}_2}+\frac{\displaystyle\text{V}-0}{\displaystyle\text{R}_4}+\frac{\displaystyle\text{V}-\text{V}_\text{o}}{\displaystyle\text{R}_5}\\ \\ 0&=\text{I}_3+\frac{\displaystyle\text{V}-0}{\displaystyle\text{R}_4}+\frac{\displaystyle\text{V}-\text{V}_\text{o}}{\displaystyle\text{R}_5} \end{alignat*} \end{cases}\tag5 $$
And solve for the transfer function:
$$\mathscr{H}:=\frac{\displaystyle\text{V}_\text{o}}{\displaystyle\text{V}_\text{i}}=-\frac{\displaystyle\text{R}_2\text{R}_3\text{R}_5}{\displaystyle\text{R}_1\text{R}_2\left(\text{R}_3+\text{R}_4+\text{R}_5\right)+\text{R}_4\text{R}_5\left(\text{R}_1+\text{R}_2\right)}\tag6$$
Now, we can transform the transfer function using Laplace transform. This gives \$\displaystyle\text{R}_4=\frac{\displaystyle1}{\displaystyle\text{sC}_1}\$ and \$\displaystyle\text{R}_5=\frac{\displaystyle1}{\displaystyle\text{sC}_2}\$. So, we get:
$$ \begin{alignat*}{1} \mathscr{H}\left(\text{s}\right)&=-\frac{\displaystyle\text{R}_2\text{R}_3\cdot\frac{\displaystyle1}{\displaystyle\text{sC}_2}}{\displaystyle\text{R}_1\text{R}_2\left(\text{R}_3+\frac{\displaystyle1}{\displaystyle\text{sC}_1}+\frac{\displaystyle1}{\displaystyle\text{sC}_2}\right)+\frac{\displaystyle1}{\displaystyle\text{sC}_1}\cdot\frac{\displaystyle1}{\displaystyle\text{sC}_2}\cdot\left(\text{R}_1+\text{R}_2\right)}\\ \\ &=-\frac{\displaystyle\text{R}_2\text{R}_3\cdot\frac{\displaystyle1}{\displaystyle\text{sC}_2}}{\displaystyle\text{R}_1\text{R}_2\left(\text{R}_3+\frac{\displaystyle1}{\displaystyle\text{sC}_1}+\frac{\displaystyle1}{\displaystyle\text{sC}_2}\right)+\frac{\displaystyle1}{\displaystyle\text{sC}_1}\cdot\frac{\displaystyle1}{\displaystyle\text{sC}_2}\cdot\left(\text{R}_1+\text{R}_2\right)}\\ \\ &=-\frac{\displaystyle\text{R}_2\text{R}_3\cdot\frac{\displaystyle\text{sC}_2}{\displaystyle\text{sC}_2}}{\displaystyle\text{R}_1\text{R}_2\left(\text{sC}_2\text{R}_3+\frac{\displaystyle\text{sC}_2}{\displaystyle\text{sC}_1}+\frac{\displaystyle\text{sC}_2}{\displaystyle\text{sC}_2}\right)+\frac{\displaystyle1}{\displaystyle\text{sC}_1}\cdot\frac{\displaystyle\text{sC}_2}{\displaystyle\text{sC}_2}\cdot\left(\text{R}_1+\text{R}_2\right)}\\ \\ &=-\frac{\displaystyle\text{R}_2\text{R}_3}{\displaystyle\text{R}_1\text{R}_2\left(\text{sC}_2\text{R}_3+\frac{\displaystyle\text{C}_2}{\displaystyle\text{C}_1}+1\right)+\frac{\displaystyle1}{\displaystyle\text{sC}_1}\cdot\left(\text{R}_1+\text{R}_2\right)}\\ \\ &=-\frac{\displaystyle\text{sC}_1\text{R}_2\text{R}_3}{\displaystyle\text{R}_1\text{R}_2\left(\text{sC}_1\text{sC}_2\text{R}_3+\frac{\displaystyle\text{sC}_1\text{C}_2}{\displaystyle\text{C}_1}+\text{sC}_1\right)+\frac{\displaystyle\text{sC}_1}{\displaystyle\text{sC}_1}\cdot\left(\text{R}_1+\text{R}_2\right)}\\ \\ &=-\frac{\displaystyle\text{sC}_1\text{R}_2\text{R}_3}{\displaystyle\text{R}_1\text{R}_2\left(\text{sC}_1\text{sC}_2\text{R}_3+\text{sC}_2+\text{sC}_1\right)+\text{R}_1+\text{R}_2}\\ \\ &=-\frac{\displaystyle\text{C}_1\text{R}_2\text{R}_3\text{s}}{\displaystyle\text{C}_1\text{C}_2\text{R}_1\text{R}_2\text{R}_3\text{s}^2+\text{R}_1\text{R}_2\left(\text{C}_1+\text{C}_2\right)\text{s}+\text{R}_1+\text{R}_2} \end{alignat*} \tag7 $$
When working with sinusoidal inputs we know that we can write \$\text{s}:=\text{j}\omega\$ where \$\text{j}^2=-1\$. So we get:
$$ \begin{alignat*}{1} \left|\space\underline{\mathscr{H}}\left(\text{j}\omega\right)\right|&=\displaystyle\left|-\frac{\displaystyle\text{C}_1\text{R}_2\text{R}_3\text{j}\omega}{\displaystyle\text{C}_1\text{C}_2\text{R}_1\text{R}_2\text{R}_3\left(\text{j}\omega\right)^2+\text{R}_1\text{R}_2\left(\text{C}_1+\text{C}_2\right)\text{j}\omega+\text{R}_1+\text{R}_2}\right|\\ \\ &=\displaystyle\left|-1\right|\cdot\frac{\displaystyle\left|\text{C}_1\text{R}_2\text{R}_3\omega\text{j}\right|}{\displaystyle\left|\text{R}_1+\text{R}_2-\text{C}_1\text{C}_2\text{R}_1\text{R}_2\text{R}_3\omega^2+\text{R}_1\text{R}_2\left(\text{C}_1+\text{C}_2\right)\omega\text{j}\right|}\\ \\ &=\displaystyle1\cdot\frac{\displaystyle\text{C}_1\text{R}_2\text{R}_3\omega}{\displaystyle\left|\text{R}_1+\text{R}_2-\text{C}_1\text{C}_2\text{R}_1\text{R}_2\text{R}_3\omega^2+\text{R}_1\text{R}_2\left(\text{C}_1+\text{C}_2\right)\omega\text{j}\right|}\\ \\ &=\displaystyle\frac{\displaystyle\text{C}_1\text{R}_2\text{R}_3\omega}{\displaystyle\sqrt{\left(\text{R}_1+\text{R}_2-\text{C}_1\text{C}_2\text{R}_1\text{R}_2\text{R}_3\omega^2\right)^2+\left(\text{R}_1\text{R}_2\left(\text{C}_1+\text{C}_2\right)\omega\right)^2}}\\ \\ &=\displaystyle\frac{\displaystyle\text{C}_1\text{R}_2\text{R}_3\omega}{\displaystyle\sqrt{\left(\text{R}_1+\text{R}_2\left(1-\text{C}_1\text{C}_2\text{R}_1\text{R}_3\omega^2\right)\right)^2+\left(\text{R}_1\text{R}_2\left(\text{C}_1+\text{C}_2\right)\omega\right)^2}} \end{alignat*} \tag8 $$
Now, let's analyze a few cases:
- \$\omega\space\to\space0\$: $$\lim_{\omega\space\to\space0}\left|\space\underline{\mathscr{H}}\left(\text{j}\omega\right)\right|=0\tag9$$
- \$\omega\space\to\space\infty\$: $$\lim_{\omega\space\to\space\infty}\left|\space\underline{\mathscr{H}}\left(\text{j}\omega\right)\right|=0\tag{10}$$
- When is \$\left|\space\underline{\mathscr{H}}\left(\text{j}\omega\right)\right|\$ at a maximum: $$\frac{\partial\left|\space\underline{\mathscr{H}}\left(\text{j}\hat{\omega}\right)\right|}{\partial\hat{\omega}}=0\space\Longrightarrow\space\hat{\omega}=\sqrt{\frac{\displaystyle\text{R}_1+\text{R}_2}{\displaystyle\text{C}_1\text{C}_2\text{R}_1\text{R}_2\text{R}_3}}\tag{11}$$
So, we get:
$$\left|\space\underline{\mathscr{H}}\left(\text{j}\hat{\omega}\right)\right|=\frac{\displaystyle\text{C}_1\text{R}_3}{\displaystyle\text{R}_1\left(\text{C}_1+\text{C}_2\right)}\tag{12}$$
So, the cut-off frequency is:
$$\left|\space\underline{\mathscr{H}}\left(\text{j}\omega\right)\right|=\frac{1}{\sqrt{2}}\cdot\left|\space\underline{\mathscr{H}}\left(\text{j}\hat{\omega}\right)\right|\space\Longrightarrow\space$$ $$\omega_\pm=\frac{\displaystyle\sqrt{\left(\text{C}_1+\text{C}_2\right)^2+\frac{\displaystyle4\text{C}_1\text{C}_2\text{R}_3\left(\text{R}_1+\text{R}_2\right)}{\displaystyle\text{R}_1\text{R}_2}}\pm\left(\text{C}_1+\text{C}_2\right)}{\displaystyle2\text{C}_1\text{C}_2\text{R}_3}\tag{13}$$
So, the bandwidth is given by:
$$\mathcal{B}:=\left|\omega_+-\omega_-\right|=\frac{\displaystyle\text{C}_1+\text{C}_2}{\displaystyle\text{C}_1\text{C}_2\text{R}_3}\tag{14}$$
And the quality factor is given by:
$$\mathcal{Q}:=\frac{\hat{\omega}}{\mathcal{B}}=\frac{\displaystyle\sqrt{\frac{\displaystyle\text{R}_1+\text{R}_2}{\displaystyle\text{C}_1\text{C}_2\text{R}_1\text{R}_2\text{R}_3}}}{\displaystyle\frac{\displaystyle\text{C}_1+\text{C}_2}{\displaystyle\text{C}_1\text{C}_2\text{R}_3}}=\frac{\displaystyle1}{\displaystyle\text{C}_1+\text{C}_2}\cdot\sqrt{\frac{\displaystyle\text{C}_1\text{C}_2\text{R}_3\left(\text{R}_1+\text{R}_2\right)}{\displaystyle\text{R}_1\text{R}_2}}\tag{15}$$
- 7,790
- 12
- 21
