I'm using an app on an Android phone that creates the possibility to use the phone as radio with PTT. I'm now trying to build headset with PTT that could interface with the phone's 3.5 mm connector. I have so far determined that keeping a button "Function A" on the Android headset pressed, as one would in normal PTT application, it shorts the microphone and it won't work. See: How to use the button on a headset?
Just as side note, I want to keep the functions B and C for volume control and D is not recognized by my phone.
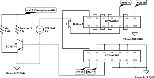
The possibility lies in the fact that in the app one can determine whether the button is needed to be pressed all the time when talking or is the button press creating latching in the app and unlatching when pressed again. I have been trying to use the latching on the app but making it so that the user of the headset will be pushing the button all the time. I've tried to accomplish this by creating dual edge detector with XOR gate and Schmitt trigger inverters for delay as in: Dual edge detector, that would send positive pulse to BJT used as switch to shortly open the "function A" at the start of the button press and in the end of the button press.
My current circuit is below:

simulate this circuit – Schematic created using CircuitLab
But, I just can't get it working and I'm a bit lost at the moment. I don't have oscilloscope but have used Arduino serial plotter as "oscilloscope" in troubleshooting. When pressing the button I might get visual on trailing edge pulse but never for leading edge. Also, the app has not detected presses. The inverters not creating delay enough? Also, every time my fingers touch the button A the signal on the plotter (voltage at 1A pin) goes rogue. I could remedy this by 10 k Ohm (pull down?) resistor between inverter 1A pin and GND, although, I'm not sure it is the correct answer since after that the app detects multiple random presses? The data sheets of the inverter and XOR gate told to ground (or VCC) all unused INPUTS so I left unused outputs "open".
Or is there something a lot bigger fault in my design?