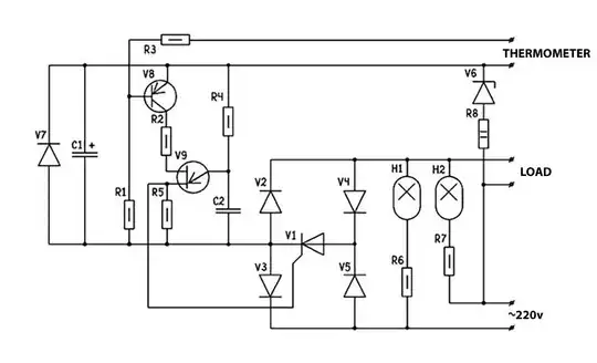
Trying to figure out the purpose and functionality of this circuit. Apparently, this is some sort of temperature controller. There is no information on parts values or the load type (heater, probably?). But my question is, what does the unijunction transistor do in this circuit exactly? Does it simply work as a switch that activates the SCR whenever V8 is switched on? Or, does it work as a voltage to phase converter that allows to regulate output power by shifting the SCR turn on phase vs AC sine wave phase? Or is the V9 an oscillator? Can you please provide a step-by-step explanation of how the V9 controls the SCR?
What is the purpose of the V6 Zener diode? Looks like its polarity is wrong on this schematics, am I right?



polarity is wrong on this schematicsI don't see that: What makes you assume so? – greybeard Jan 28 '23 at 22:29