The question title says it all. I'm looking for the opposite of a UPS, ie it won't turn back on if there is a power outage. I know they exist but, I can't remember what they are called or find them on Google.
-
Are you looking for a hardware solution or a software solution? In most computers, this is an option in the bios. – hazzey Feb 22 '17 at 04:11
-
A hardware solution. It's not for a computer, it's for a controller/electric heater that gets up to 1200°C – user1543042 Feb 22 '17 at 04:36
-
Magnetic contactor – Ethan48 Feb 22 '17 at 05:04
-
1A latching relay/contactor would do that – Donald Gibson Feb 22 '17 at 07:16
-
A common term is "NVR switch" (No Volt Release) - often with green Start and large red emergency STOP buttons. As you're asking for a power supply, you'd place a normal power supply (or dangerous machine) downstream of the NVR switch. – user_1818839 Feb 22 '17 at 11:47
-
For a controller on a machine that goes to 1200C, I'd go with a dedicated Safety Controller, you'll likely want to do more than just keep power off if things go sideways – DLS3141 Feb 22 '17 at 17:07
-
I expect at least some commercial UPS units can be configured to not come back on after they have run the battery out and shut down. Something to consider if you don't want to shut down due to a momentary outage. – agentp Feb 22 '17 at 19:37
2 Answers
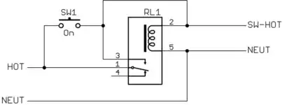
I don't know what such a thing is called, but you can easily construct one by putting this relay circuit in-line with the power to the supply:
This construct is called a electrically latching relay. When the relay is energized, pins 1 and 3 are connected, which keeps the incoming AC power applied to the relay coil. This keeps the relay on and SW-HOT on as long as the incoming power stays on. If the incoming power goes off, the relay turns off. Once off, it stays off even if power is re-applied. After power is re-applied, SW1 needs to be pressed for a short time to turn the relay on again.
- 11,351
- 1
- 20
- 36
-
This one has my vote :-) --- my pinball machines are full of these. – Carl Witthoft Feb 22 '17 at 16:02
In the UK this is called an NVR (no-volt release) switch they are compulsory in the EU for most static machine tools but not domestic appliances. Typically these are machines with exposed moving parts such as saws, drills, grinders, lathes ect
They have an 'on' button (marked I and green) and 'off' button (marked O and red). The on button needs to be pressed for the machine to be powered on and hitting the off button immediately cuts power. In some cases there is a separate switch to actually operate the machine.
If the power is interrupted the on button needs to be pressed again to restart the machine ie if the power is interrupted the machine will not restart untill the on button is pressed.
They often also have a mushroom switch type cover for easier manual shutoff in an emergency. This is just a mechanical means of pressing the off button. In some cases it also can be padlocked closed.
You can also get rotary switches which perform a similar function, these are more common on large, especially 3 phase, machines and for remote isolation of an entire electric circuit, for example where a supervisor needs to be present for machines to be operated.
This is one example
- 15,148
- 3
- 21
- 42
-
As far as I know those are required in Canada as well. If they aren't required they come on basically every static machine tool anyways (which makes a lot of sense). In my limited experience they more often then not had another switch to operate. – JMac Feb 22 '17 at 21:47
