In the case of the first circuit, The ratio between the input voltage Vin and the voltage at the collector and the ratio between the input voltage Vin and the voltage at the emitter are supposed to be around 1.
In the case of the second circuit, the ratio between the input voltage Vs and the voltage at the output Vout is around 30.
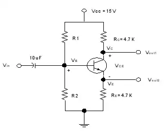
My understanding of the circuit (please correct me if this is incorrect):
- I know the purpose of the resistors in the center region of circuit 2 is to bias the transistor and make it operate at a specific Q-point.
- The purpose of the 10uF capacitors is to filter any DC component of the input and output signal, as well as to prevent changing the biasing.
- The capacitor across Re is a bypass capacitor, which is supposed to prevent the AC component from affecting the gain through negative feedback.
- The purpose of the emitter resistor is to provide negative feedback.
- The purpose of the collector resistor (and I am not sure about this) might be to limit the current from the source.
- The purpose of the resistor at the output (I am not 100% sure about this either) might be to work as a load
- The resistor next to the input signal Vs is used to step down the voltage of the signal, as to use a small signal model in the circuit instead of having to use the large signal model.
Assuming the following: a beta (Ic/Ib) of around 250, R1 of 75k and R2 of 33k for both circuits, and an input voltage Vin of 4 volts peak to peak with a frequency of 1khz for the first circuit,
What controls the voltage gain in circuit 1 and 2 at the collector, and why is the gain in the first circuit only 1?


