5

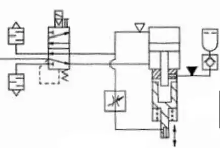
I have trouble understanding the following pneumatic circuit diagram: enter image description here

I am new to reading circuit diagrams and i am unfamiliar with some of the symbols. I would appreciate if somebody could explain them to me. In particular I have the following questions:

  1. What does the dotted line in bottom left of the directional control valve mean?
  2. Why is a control valve with 5 ports used? Isn't one of the port on the left of the valve redundant and a 4/2 valve could be used instead?
  3. Why are there four ports on the actuator? I am only familiar with actuators with two ports (which would correspond to the top two ports). What are the bottom port and the right port used for?
  4. What does the symbol in the top right mean?
  5. What do the triangles on top of the lines mean? Why is one white and one black?

I realize that these are a lot of questions. But as I said, I am new to this. I would also appreciate if anybody could link a free source, there such diagrams are explained systematically. So far I used the Wikipedia page, but there are a lot of symbols/subtleties which are not covered there.

engi1
  • 51
  • 3
  • You need to check the source of your diagram - they will have a legend explaining the symbols - there can be subtle and not so subtle differences... – Solar Mike Dec 04 '18 at 12:28
  • Unfortunately, there is no such legend – engi1 Dec 04 '18 at 12:54
  • 4
    The dashed lines means pilot controle, these days are usually electronic devies but pure mechanical lines are also common, solid triangles means hydraulic flow direction (exhaust) hollow or white means pneumatic flow direction (exhaust), regarding your forth question, i suspect that's an accumulator is or lubricator reservoir, the rest of the circuit is missing, i don't know what norming system you work in so that's all for now. – Sam Farjamirad Dec 04 '18 at 15:15
  • @SamFarjamirad Thank you, this really helped. However, there are still some questions, maybe you could help? ...1. So the directional valve is able to control the pressure? Is this valid for both positions, or only in the bottom position (where the lines are drawn)? How is this done, is there an additional control valve used for this? 2. How do the triangles indicate flow direction? They are symmetric with respect to the line, so they don't seem to point in one direction. 3? Do you have any thoughts on the second point of my question? – engi1 Dec 06 '18 at 09:09
  • 1
    @SamFarjamirad I don't think it would be an accumulator, the check valve is pointed out of the tank and there doesn't seem to be any workaround for building pressure in the tank. – JMac Dec 11 '18 at 16:19
  • 1
    its a piston running into a spring return piston. So i would hazzard a guess: Its a adjustable spring damper. – joojaa Dec 11 '18 at 17:06

1 Answers1

0

1 Dotted line means there is inside of the valve a connection. Function properly a spring or damper (According FESTO Pressure regulator valve )

2 Using 5 ports giving the possibility to use two different sound dempers.

3 Two ports are direct connected to the valve. The port both left is probity used for an external connection on the shaft. Function ?? The port top richt looks a lubricating oil device.

4 The triangle is filled. Probably meaning; the lines are filled with liquid. Oil? The triangle ar marked as air lines.

Normally if you use the function of the device you can estimate more easily the function of the individual components