46

We sell products that attach to a motor drive's DC bus. We also formerly sold diode kits that let you hook one product up to multiple drives. We stopped selling those diode kits because they were unreliable with modern hardware, and we had better solutions. My customer tells me he wants to keep using the old diode kits, because he can have his repair techs disconnect power to one drive and have it replaced, while the others are still powered on.

I maintain that this is an unsafe practice, because diodes are not safety-rated devices. (See question here.) But my customer is rather insistent. What is my ethical obligation in this case?

Stephen Collings
  • 1,695
  • 17
  • 27
  • 2
    Question is answered very well by GlenH7, so I won't provide an answer... just commenting to say you could do some market research to see if other customers (or potential customers) have the same use-case, and produce a safe way to do that. – jhabbott Apr 18 '15 at 22:44
  • A Good ECO/ECN process will address project management aspect of your dilemma. This is very common in procedure in electronic industry – 706Astor Apr 20 '15 at 21:36

9 Answers9

32

I'm going to set aside the potential legal liability aspects of your question. In part because you didn't ask about them, but also because liability will vary based upon jurisdiction. Obviously, consult an attorney familiar with the relevant law.

Ethically, I think you've done everything that you're obligated to do.

You have contacted the customer and notified them of an unsafe situation or configuration of the product. And you have (strongly) advised them that they need to discontinue using the older product in the unsafe configuration.

If the customer remains insistent about using the product in an unsafe manner, you could present a brief piece showing to them why it's unsafe. As noted in the answers to your EE question, if the current or voltage exceeds the reverse limits of the diode, bad things will occur. Sometimes a customer needs to see the numbers behind a recommendation in order to understand the magnitude of what could go wrong.

But let's say you have already done that and the customer still insists on using the product in a questionable manner. There's honestly not a whole lot more you can do. You can't break into their facility and confiscate the products. Likewise, you can't take them to a court of law and force an injunction against them. Potentially, you could contact your local safety administration (OSHA in the US) and notify them of your concerns.

But all of those steps are going way above and beyond what you're obligated to do in this particular case. This is especially so when there is a safe usage for the product along with an unsafe approach. And any of those actions are likely to irreparably damage your relationship with that client. Damaging the relationship will impair your credibility with them and make it less likely that they'll listen to your concerns.

So your obligation is to lay it out to them in unambiguous terms that you believe they need to stop using the product in their "preferred" manner and that your firm will no longer provide any support whatsoever regarding future use of that product in that configuration.

11

Almost every manufactured product can be abused in an unsafe way by a creative enough user.

If the customer asked your opinion on doing something which is evidently unsafe, I would suggest (on the grounds of common sense, not on the laws of any particular country) that you put your objection in writing, so there can be no future argument in court about "who said what to whom". Beyond that, you can't stop people being foolish, so don't lose any sleep over it.

alephzero
  • 12,587
  • 1
  • 12
  • 27
5

Tell him to add a proper (double pole) shutoff switch and educate the techs to use it when replacing motors. (Or make a mechanical interlock so the exposed contacts are never live)

This will make it actually safe because when it's disconnected the accessible contacts will not be connected to the power source.

In general try to give a safe alternative. Often when such careless practices occur it's because they are convenient. Your goal then is to provide safety with similar convenience in operation.

ratchet freak
  • 5,741
  • 18
  • 19
5

I have tried, but have not found a way to respond to this question that is not opinion based. By their nature, a person's ethics are just that; a person's ethics. They are usually deeply held, personal beliefs. Other words for ethics might be morals, values, conscience, etc., again, these are not necessarily universal in their importance. They are personal. In addition, how a person behaves in the workplace, is still usually going to reflect their own personal beliefs.

The main point that jumped out at me from the question, was that it was asked at all. The fact that it was asked, means "ethical obligation" is something important to the person who asked the question. Not everyone would give it the same amount of thought, or priority. The fact that it was asked in a public forum, as though there has been some real conflict about what action to take, means it may be weighing rather heavily on Mr. Collings.

My answer would be to do something we don't do nearly enough, and that is to think things all the way through, to their various conclusions. For example, what would a "worst case scenario" look like? Or a best case scenario? Then, as Mr. Christianson suggested, you would have to ask yourself if those conclusions were ok with you, and matched closely to your own, personally arrived at value's. If yes, then you're good to go. If not, you may need to look further for your answer.

Also keep in mind that what meets the legal, or professional definition of ethical, or unethical behavior, is not always going to meet our own definition of those same terms, nor should they. In fact, it has been said that facing these kinds of moral dilemmas, is what builds character. To be honest, I just made that up. It's actually just my opinion.

darkness
  • 51
  • 1
  • Hi darkness, welcome to Engineering SE. To clear up a possible misunderstanding—it's fine for your answer to be opinion-based. Of course, how useful such answers are and how they end up being scored is always up to the voters, but there is a [set of guidelines for what makes a great subjective question on Stack Exchange](http://blog.stackoverflow.com/2010/09/good-subjective-bad-subjective/) and even objective questions *sometimes* benefit from answers that communicate an informed opinion. – Air Apr 20 '15 at 17:14
4

I think this somewhat depends on how your company does business. If this is a situation where you simply have a catalogue of products and customers buy products, determining wholly on their own what they need for their project, there's not really much you can do. You sell what you want to sell, make sure that the product is sound from your end, and put safety notices on parts stating what type of usage they can safely handle.

However, it sounds more like you work with the customer, basing what you sell on the application they're using it for, and determining together what will best suit their needs. In this case, for what you've already sold them, telling them you don't condone the manner in which they're using it is probably the limit of your responsibility. It's unreasonable for you to go out to their site and physically take the parts away from them.

For future sales though, if you know they are going to be using the product in a manner for which it was not designed, I think you do have an ethical (and potentially legal, depending on your location) obligation to tell them you won't sell them the product for that application. On the legal side, that's more a "cover your ass" move, but better safe than sorry. People looking at the bottom line may not like it, but the lost sale will be less than the cost of a court settlement when something goes wrong and your parts are involved (because it doesn't matter who is at fault, everyone involved will be named in the suit.)

Trevor Archibald
  • 2,819
  • 2
  • 13
  • 24
3

An Engineering Change Notification (ECN) is an industry accepted practice to inform vendor of parts change over, which avoid the ethical obligation issue addressed in the question. An Engineering Change Order (ECO) process includes ECN steps which is briefly discuss here under product life cycle management. An ECN will allow customers to make the necessary business changes in timely manner including initiating of life time parts purchases. Also process allow vendors to make appropriate design changes without disrupting business.

The following are common scenario to initiate an ECN in the context of this question.

  • Lack of demand for parts in current economic/business condition
  • Regulations such as ROHS or WEEE
  • Changes in raw material or vendors

A side note: Beside life time part buy situations, some organizations make radical business decision. For example US government has directed vendors to continue manufacturing parts, mostly to maintain strategic military equipment. Also Rochester Electronics an organization that manufacture part obsoleted by large semiconductor companies such as Intel.

Making business or engineering decision based on ethics is a gray area and situation dictates the decision. Therefore more information is the form of suppliers business, vendors business, industry and other information is beneficial to advice on how to address the ethical obligation component of the question. Below are few examples of widely known recent and past situations where ethical obligations have been addressed.

  1. Dr. Kent Brantly and Nancy Writebol, two well know Ebola patients were given experiments medication at Emory University Hospital in Atlanta Georgia USA. It is considered unethical to provide experimental medication to patients, this a good example violation of generally accepted ethical practices to save the lives of two patients.
  2. There were some US based manufactures that moved production to other parts of the world because the certain chemical were labeled toxic in by Environmental Protection Agency (EPA), thus the use in USA was banned. The destination manufacturing location didn't have such regulations. If a chemical is toxic in USA it is toxic in any other part of the world. Based on the available information, in my opinion this practice is unethical.
  3. Asian honey that is banned in Europe and USA due to harmful antibiotics and heavy metal are been sold in USA through illegal mean. Based on the available information, in my opinion is unethical. "Asian Honey, Banned in Europe, Is Flooding U.S. Grocery Shelves" article highlights situation.

More related to engineering "1981 Hyatt Regency walkway collapse" and " Space Shuttle Challenger disaster - O-ring" are two well know case studies that address engineering ethics.

In summary making decision on ethical obligation is a gray area. Whatever the decision is, it should be a decision that you can be comfortable for the rest of your life. Based on the information you have provided I suggest issuing a ECN, let your customer make the best decision for the customer business.

Good luck

706Astor
  • 1,054
  • 1
  • 8
  • 19
3

An (almost) safe solution:

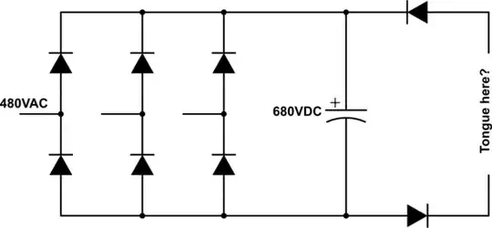
With the information available from this question PLUS the highly relevant prior question Is it safe to treat a system downstream of a reverse-biased diode as de-energized? there is a method that is still not 100%-regulation-passing safe, but one which is liable to have an extremely good chance of ensuring that nobody gets hurt.

As the diode isolators are intended to ENSURE that the de-energised circuit is not powered and remains at earth potential while being worked on, "make it so".

  • Connect the two output terminals at "tongue here" together robustly with a suitably solid conductor and terminations and

  • Connect the combined circuit equally robustly to ground.

If the isolation method works then nothing will be damaged.

If the isolation diodes leak in a minor and expected way the current will be shunted to ground and all shall still be sweetness and light.

If the isolation diodes fail to any significant extent - do you sell ringside tickets? - there will be some pyrotechnics and some things may die but, if you/they have implemented the clamp correctly, it will not be people.

I would consider working on such a circuit, provided that I had personally checked how it was done first, but I'd treat the circuit as potentially live to the maximum extent possible. I have worked on known live circuits with a greater risk factor than this one poses - but fully knowingly and voluntarily.


Liability and warning:

IANAL BUT:
Here "you" is whoever is held responsible by authorities. It may or may not include "you" the manufacturer.

It is utterly essential ethically and probably legally that people working on this equipment are completely aware of all aspects of what is being done and why.
If somebody dies and the worker was aware what was being done and why and the various implications in complete detail, you can expect regulatory prosecution - but MAY escape a manslaughter or equivalent prosecution.
If somebody dies and the worker was NOT aware what was being done and why and the various implications in complete detail you do not deserve to escape a manslaughter or equivalent prosecution.

Linemen are used to working on circuits which should be disconnected and which should stay connected and which probably are and will. Earthing sticks and similar are commonly used.

enter image description here

Checklist:

NB: The related tasks must have a checklist associated and the last 5 items on it should be.
-Remove all the shorting and earthing connections.
-Check that all the shorting and earthing connections have been removed
-Check that ALL the shorting and earthing connections have been removed
-Check that ALL the shorting and earthing connections have been removed

- HAVE YOU CHECKED THAT ALL THE SHORTING AND ...

Russell McMahon
  • 3,844
  • 11
  • 16
  • Your answer seems like it is missing additional information. The trailing ellipses after "Have you checked that..." imply that there is more to your answer. –  Apr 23 '15 at 18:45
  • @GlenH7 It's meant to imply infinite regress. Check. Then check. Then CHECK. Then ask HAVE I CHECKED. ie sooner or later you find yourself reapplying 480 VAC to a bus with earth straps on UNLESS the procedures are utterly set in stone must do follow procedures etc. While this may seem to make the earth straps a liability, the alternative is sooner or later applying 480 VAC to a person. – Russell McMahon Apr 23 '15 at 21:37
1

The question you have to answer for YOURSELF (not your company) is will you be able to sleep well if one of these guys gets fried? Since the customer has disclosed his unsafe intention, I think that you should not feel obligated to provide the part. Yes, he may just go elsewhere to get the part, but that is on him.

1

Your absolute minimum responsibility is to inform your customer that you consider the intended usage to be unsafe and that you do not recommend or endorse using it in this way. This should be done in writing and be acknowledged by the customer.

The next level depends on context. It is not impossible that your customer has good reason to do this and has their own procedures to ensure that it is used in a safe way. However if you believe that they are just cutting corners then we all know that it would not be ethical to supply them with the means to do it.

If you want to do this properly then the only way is to have an in-depth discussion with your customer to ensure that they will use your product responsibly.

Note that the correct ethical approach goes somewhat beyond discharging your nominal legal responsibilities and in any case you may still end up being legally liable even if you tick the boxes on something you know to be dangerous.

Chris Johns
  • 15,148
  • 3
  • 21
  • 42