Occasionally I have to design T-connections between rectangular tube steel (HSS) members where I have a flare-bevel weld between the corner of the tube and the connecting flat member. If the weld stress is high enough, a reinforcing fillet may be required.
Per AWS D1.1-2010, Section 2.4.2.7,
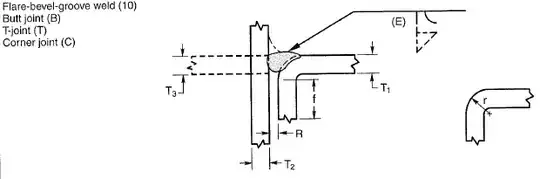
The effective throat is illustrated by Figure 3.3 and Annex A (pasted below)
Thus far, I have been unable to easily calculate the minimum effective throat of a flare-bevel with reinforcing fillet due to the complex geometry of the weld throat. The best method I have found so far is to draw it in AutoCAD to scale and figure it out from there, but this is relatively time-consuming. It is not immediately evident to me which plane of the weld is the minimum throat since the contour of the weld changes along its width.
Has anyone seen a formulaic (i.e., programmable) methodology for determining the effective throat of a flare-bevel with reinforcing fillet? I mostly work my calculations in Mathcad, so having something I can program into steps would be highly beneficial to my workflow.





