In this particular case it appears to have no meaning, I think someone just didn't notice or care when making the drawing. I'm guessing they made two hole patterns in the software they were using and it automatically labelled them differently.
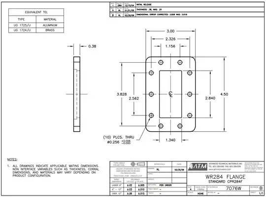
After doing the digging to figure out that FDP32 seems to be a name used by Chinese manufacturers for CPR284F flanges (using this table to see that FDP32 is used for WR284 waveguide, and the column is labelled "FDP (CPRF)"), I found this drawing c/o ATM microwave:
Some of the dimensions don't match exactly when you convert to mm, interestingly, but more importantly the holes are all part of the same pattern. Note about waveguide sizing: WRxx or WGxx refers to the dimensions of the waveguide itself (so determines which frequencies it can carry), but there are many different types of flanges which a given waveguide size can be used with.
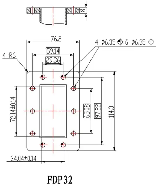
Here's another Chinese manufacturer's drawing calling it FDP32 but explicitly calling the 10 holes part of the same group (from here)
