3

I'm very much new to pneumatics and I was wondering if there was such a thing as a reversible pneumatic actuator?

I'm designing a system that has to be lightweight, pneumatic and use a mechanical input to store energy in a pneumatic manner. The system must then be able to translate this energy back to kinetic energy.

From my research I have found that there are no pneumatic motors that can be back-driven to run as a compressor, and the addition of a compressor adds weight to the system so I'm trying to avoid this. Essentially, I was wondering if I used a generator/motor to convert the mechanical input to electrical energy, would an actuator have the ability to convert electrical energy into a source of potential energy?

Alex
  • 61
  • 1

2 Answers2

2

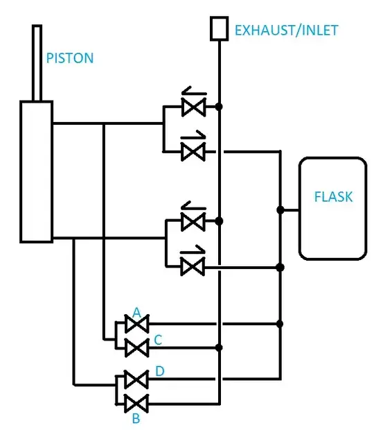
Air Storage

A,B,C, and D are normally closed solenoid valves.

The valves with the arrows above them are pneumatic check valves, such as reed valves, with the arrow indicating flow direction.

So basically, with no power, pushing the piston in and out of the air cylinder causes an inlet check valve to open and a check valve to the flask to open and you act to pressurize the flask. This is really a mechanical analog of an H-bridge used in rectifying AC power.

To actuate, operate A&B or C&D as a pair; one valve (A or D) aligns high pressure (flask) air to the piston while the other valve (B or C) aligns the exhaust port back to the exhaust/inlet cap.

Keep in mind that it will get harder to manually/externally stroke the air cylinder as pressure builds in the flask, and that your actuation ability is limited by whatever pressure is in the flask. You can cap pressure in the flask with a relief valve set to your desired pressure. I would definitely use a second relief valve on any pressure vessel for safety, one that isn't designed to operate regularly (i.e., at a higher pressure than your target flask pressure.

:EDIT:

Typically yes, the exhaust port in a pneumatic system discharges to atmosphere (through a muffler).

If you're familiar with electronics, consider the following analogy:

Diode check valve analogy

A check valve and a diode can both be "forward biased" and allow "flow", or "reverse biased" and not allow "flow". In valves, "flow" is volumetric flow; in diodes, "flow" is electron flow (current).

In both instances, there's some very small "bias" required to put the device in operation; in a diode this is a bias voltage (~0.6V) required to allow current to flow; in a check valve this is essentially a "bias pressure" (very small), which is required to hold open the valve internals to allow fluid flow across the valve.

In both cases, diodes and check valves, if you apply "pressure" (literal pressure or voltage) the wrong way, you are "reverse biasing" the device and you will get no flow across it.

So, keeping that in mind, I made several copies of the schematic with high and low pressures drawing in orange/blue, respectively:

Flow paths

Note the (numbers) in the center of the image. Paths (1) and (2) show how pressures exist in the system when you are driving the cylinder in or out; (3) and (4) show how pressures exist when you are actuating the cylinder in or out. Now I'll walk you through each flow path.

(1):

  • Pneumatic solenoid valves A,B,C,D are "normally closed" and are not energized, so they do not allow flow.
  • Because the piston is being driven in, the top side of the cylinder disc is trying to "suck in" air (at a low pressure), while the bottom side is trying to "push" air (at a higher pressure).
  • The pressures in the piston ports forward bias the top and bottom check valves and reverse bias the middle two check valves. This lines up exhaust/inlet air to the low pressure side of the piston and aligns the flask to the high pressure side of the piston.

(2):

  • The same general steps as with (1), but in reverse. Here the middle 2 check valves are forward biased and the top and bottom check valves are reverse biased.
  • Flow is still lined up between the low pressure side of the piston and exhaust/inlet are and between the high pressure side and the flask.

(3):

  • In this scenario the cylinder is being actuated. Solenoid valves A&B are energized, lining up flask air to one side of the piston and exhaust/inlet air to the other side of the piston.
  • This differential pressure across the cylinder disc acts to pull the rod in.
  • Note here that the check valves are all either reverse biased or have the same pressure on both sides. In scenarios (1) and (2), the pressure in the flask is always $P_{\mbox{flask}} = P_{\mbox{Piston}} - P_{\mbox{bias}}$

(4):

  • Again, the same as (3) but in reverse. Solenoid valves C&D are energized, lining up the high/low pressure sides appropriately.
  • The differential pressure across the cylinder acts to push the rod out.
  • Again, the check valves are either reverse biased or not biased at all. There is no flow across any of the check valves.
Chuck
  • 3,565
  • 12
  • 28
  • Thanks for the answer Chuck, really appreciated! Like I said I'm new to pneumatics, so I'm struggling a bit with the schematic but the H-bridge comparison has really helped. Are the Valves on the upper part of the schematic directional control valves? What is their purpose? Also, presumably the exhaust/inlet could be atmospheric pressure? Sorry for my naivety! Thanks for your time. – Alex Oct 21 '15 at 09:24
  • @Alex - I added (quite a bit) more content to the answer I gave. I'm assuming since you appreciated the H-bridge comparison that you're more familiar with electronics so I tried to describe check valve operation in terms of "bias pressures" like a diode has a "bias voltage". – Chuck Oct 21 '15 at 11:47
1

A Variable Displacement Axial Piston Motor could be used is this manner. It also has the advantage of also being an adjustable positive displacement pump. So you could have it set at maximum displacement while charging the system, and then set to zero displacement while waiting to discharge the system (no valves), and at low displacement wile discharging.

Jrican
  • 150
  • 1
  • 1
  • 7
  • I've heard of variable displacement engines before actually, however I hadn't considered using them in this context, very intuitive. How difficult is it to implement this system? Is there complex control involved with the implementation of such an arrangement so that a motor also acts as a pump? – Alex Oct 21 '15 at 09:31