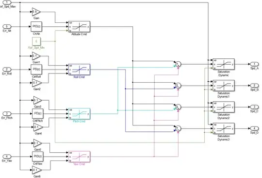
Within MATLAB Community, I found an example of a simple quadcopter model control built with Simulik and SimMechanics, The controllers handle position and orientation control. I want to extend this controller and add a speed controller (Quadcopter Vx,Vy,Vz), and keep the position control as well. What should be my starting point? I believe I can't use two PID controllers for the same input since they'll interfere with each other, thus one PID will oscillate. The current controller is given below:
What would you suggest I should start with? I intend to use MATLAB/Simulink. Thanks for the information in advance. Note: I have every sensor I need on the model to measure errors.
