3

I am trying to implement a simple single-phase fully-controlled thyristor converter using Simulink.

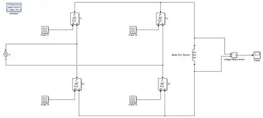
Single-phase fully-controlled thyristor converter

As load I have placed just an inductor, the firing angle is set to a=60 deg., f=50 Hz and the rms of the voltage source is 230 V. The output voltage is the one on the picture below,

Output voltage over time

Do you have any idea how can I fix the part I have circled? The waveform is supposed to be repetitive, so there should be a negative part as in the next half periods.

hazzey
  • 10,682
  • 9
  • 42
  • 93

0 Answers0