In my mechanics of materials class we are required to be able to solve problems with bolts in shear. Unfortunately our textbook doesn't cover this subject we only had a little bit of information given on slides and I am having trouble finding other resources that expand on this concept.
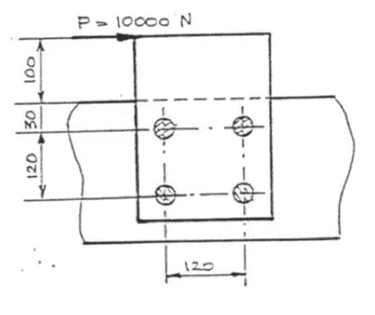
Here's an example question for context:
So far these problems are straight forward. The total shear on a bolt is equal to the direct shear plus the torsional shear. First you get the direct shear component by distributing the force evenly on each bolt so $\displaystyle\tau_D=\frac{P}{4A}$ where $A$ is the cross sectional area of the bolt parallel to the force. Then you calculate the torsional shear by finding the torque $T$ of the force $P$ about the centroid of the bolts and $\displaystyle\tau_T=\frac{Tc}{J}$ where $c$ is the distance of the bolt from the centroid and $J$ is the polar moment of inertia of the bolts. The direction of the torsional shear is found perpendicular to a line from the centroid to the bolt in the sense of the rotation of the torque.
I have no trouble doing these types of problems but I'm curious what happens if the bolts are not all the same diameter.
What I'm guessing is that the torsional shear will change because the centroid and polar moment of inertia will change but the torque stays the same. Is that correct? Is the force in the direct shear component still evenly distributed on the bolts?
In the above example if one bolt has a larger diameter than the others would the direct shear on the bolts still be $\displaystyle\tau_D=\frac{P}{4A}$? (obviously $A$ is now different in the larger bolt) or would the force in the direct shear be proportional to the relative size of the bolts?
Can anyone explain this to me to verify if my line of thinking is correct?
