Firstly, feel free to move this to Electronics SE if it's not on-topic, but it's strongly related to ham radio and RF circuitry.
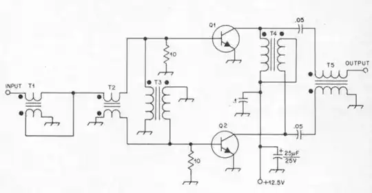
Reading Hayward's classic "Solid State Design for the Radio Amateur" and looking for inspiration, I came across the following push-pull PA design that I didn't quite understand (Chapter 4, Pg 62).
I don't have a problem with T1 and T2, it's T3 and T4 I'm struggling with. T1 is a straightforward 4:1 impedance transformer; it doubles the current at the output and so "looking back into" T1 the source appears to have 4 times less impedance. No problems there. T2 has the dotted secondary tied to ground and so the current flowing into the dot (transformer action) leaves the other end of the secondary negative. Now we have anti-phase signals of equal amplitude at the transistor bases, turning each transistor on and off alternately. Again no problems there, it's straightforward push-pull action.
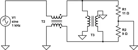
But here's where the wheels fall off for me! What's the purpose of T3 (and T4 which I believe has a similar purpose)? Here's what the author says: "The third core [in the input section of the amplifier] ensures that the load presented to T2 is balanced. Each transistor sees a driving impedance of 6.25 ohms". I've included a hand-sketched re-arrangment of the circuit to help me understand and I can sort of see how the current produced by the full potential of the balanced signal (anti-phase peak-to-peak) is driven through one or other transistor bases. Does this account for the halving of impedance "seen" by each transistor as the author says? But then, wouldn't this happen anyway, without T3??




