1

I have a designed an arrayed dipole antenna for transmitting in 200MHz frequency.

Where I am confused is, what should be my ground system for both antennas (Transmitting, and Receiving). Say I am sending 5V to my transmitting antenna, with real ground as reference to my antenna. But in the receiving antenna side, I can have, say Arduino ground as reference. Also in the receiving antenna side, I can measure the received voltage with reference to real ground as well. But in real ground case, the real ground does not guarantee that transmitting ground and receiving antenna ground is at the same potential.

I am very confused on how to configure the reference points for sending and receiving voltages for both transmitting and receiving antenna.

Help would be greatly appreciated.

user3001408
  • 183
  • 5

1 Answers1

3

Your antenna has two terminals. You will measure the received signal, or drive the transmitted signal, as a difference between these terminals. You need to be mindful of the kind of transmission line, and if this is a balanced or unbalanced system. But probably you'll couple to the antenna through a transformer so it won't matter.

Coax is an unbalanced transmission line. The shield is held at ground potential. By that, I mean there is no voltage difference between the shield and Earth, the tower, the antenna, etc.

Neglecting biasing, impedance matching, and other details, you might drive it like this:

schematic

simulate this circuit – Schematic created using CircuitLab

An issue is a dipole is a balanced antenna, so to feed it properly with coax you need a balun at the feedpoint.

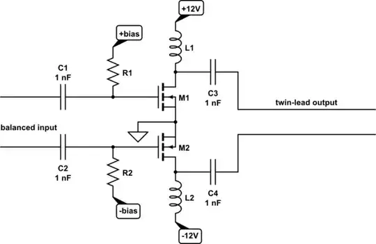
Alternately you can use twin-lead and make it a balanced system all the way. That might look like this:

schematic

simulate this circuit

In this balanced system, at every stage there is a positive polarity and a negative polarity half of the circuit, symmetrical in voltage and impedance relative to ground. There is no ground connection at the input or the output.

In both cases, receiving looks the same except the receiving antenna is on the left, and the output is going to a demodulator.

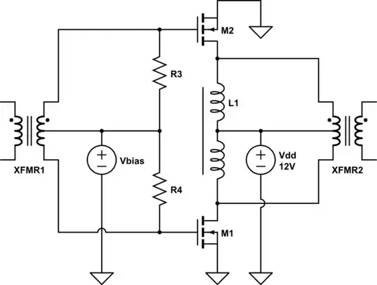
This balanced system has a significant disadvantage: everything is twice as complicated. One way to convert between balanced and unbalanced is to feed a balanced signal into a center-tapped transformer. The center tap, being halfway between the balanced inputs, is at ground potential.

That is why a class-AB push-pull amplifier is a common final stage, looking (simplified) something like this:

schematic

simulate this circuit

For a working example, see the HPSDR Pennywhistle schematic.

The input and output transformers do some nice things for us:

  • block the DC bias
  • allow for impedance matching by adjusting the turns ratio
  • provide galvanic isolation

Galvanic isolation is especially pertinent to your question. You'll notice there's no DC path from the amplifier to either the input or the output. So ground doesn't really matter: only the current through the transformer matters. So you can connect one end of either (or both) transformer to ground, or you can make a balanced connection and not connect ground at all.

Furthermore, consider that noise on ground is still noise. With the antenna isolated with a transformer you can avoid any possibility of ground loops which will pick up noise, and it's easier to isolate the ground reference for the receiver front-end from the digital noise, etc that might be present elsewhere.

For receive you probably do not need a class-AB amplifier. More likely you'll stick with the class-A amplifier in the first example. It's pretty common to isolate the input from the antenna with a simple transformer even if it's not strictly necessary. This allows for a balanced or unbalanced input and isolates the DC grounds between the antenna and the receiver.

Phil Frost - W8II
  • 51,701
  • 6
  • 88
  • 212
  • Say my coax impedance and dipole antenna impedance is close enough so that I don't need any matching. In that case say I decide to drive my antenna through the first circuit in your answer. But here I again face the ground issue as the coax shield is grounded. As I don't have transformers at my disposal. My plan is to use the first circuit. – user3001408 Feb 15 '17 at 06:13
  • @user3001408 It will work, for sure. The main issue is to make sure the PCB layout keeps the ground currents quiet for the receiver. With the antenna isolated with a transformer it's much easier since the grounds can be isolated. – Phil Frost - W8II Feb 15 '17 at 17:22