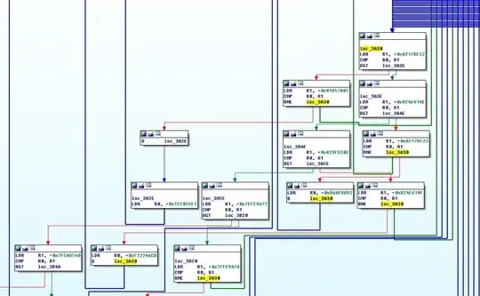
I was trying to reverse engineer an android ndk (arm) using ida pro on a static analysis. However, it appears there are a lot of useless jumps to the same place and with random values set to R1 to compare and jump again. Like the following picture. Nearly every function is doing something similar -- Initialization first (stuffs like push registers), then it jumps to code somewhere (like the right up corner of the picture), load random values to R1 register and compare it with R0 and do the jumps, but it will always jump back to the up corner again
Here is another case, it seems loc_FFBA and it's following branches serve as a big switch, but what doesn't make sense is nearly every branch will eventually jump back to loc_FFBA again. There can be a flow red->green->blue->red, but it doesn't even make sense... You can see the jump in blue is even useless because if it takes jump to blue (R0>0x6fe5e521), it will definitely take the jump to the red (R0>0x661cf941)...
My question is, is this done intentionally by the author to prevent the reverse engineering? If so how is it achieved? For me, it sounds like the author will need a lot of if-else and goto clause in his C++ code, but that will also slow down the development because he may confuse himself... And it doesn't seem the .so ndk is packed, since by using a debugger, I found generally what it actually does is just to decode a resource file to an apk and load it dynamically, but all the decryption is done by calling JNI functions to do an AES decryption to load the APK, rather than do it in C++, so the messed up jumps seems not to be something related to the decryption either...
Maybe there's some kind of compiler that will generate the junks if this is really an intentional obfuscation?

