10

Circuit

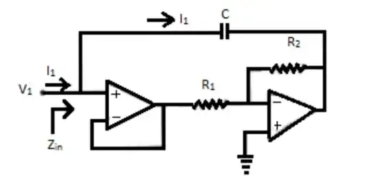
I analyzed this circuit and found that it's an inverting amplifier and that the impedance of the circuit goes to zero when the frequency of the input voltage goes to infinity.

Does anyone know the specific name of this circuit, if it has one?

Circuit fantasist
  • 16,664
  • 1
  • 19
  • 61
  • there is a great video on eevblog explaining this circuit, it also gives you some traps to not fall intousing it – AhmedH2O Dec 17 '22 at 18:28

2 Answers2

19

This is a capacitance multiplier: It behaves like a capacitor to ground with a capacitance of C*(1+R2/R1). This means you can use it to "simulate" very large capacitors for timing purposes without actually having to use a physically large capacitor. It doesn't store energy (its power comes from the power supply), so it can't be used to replace a large storage capacitor.

Davide Andrea
  • 21,104
  • 6
  • 34
  • 73
Jonathan S.
  • 18,288
  • 34
  • 56
  • 5
    Note that you find capacitance multipliers in a lot of badly "modernized" hobbyist schematics (often with additional pass transistors "helping" the opamp(s)) as a way to stabilize a voltage supply. Don't do that; use a modern linear voltage regulator instead. (Also, question the quality of the schematic if that's what is happening.) – Marcus Müller Jan 04 '22 at 13:33
  • 1
    This circuit exploits the well-known Miller effect. This effect describes the fact that - seen from the input - the impedance of the feedback element appears (drastically) decreased when it is connected between input and inverting output with gain. – LvW Jan 05 '22 at 10:35
  • @MarcusMüller An engineer on YouTube whom I respect, suggests using the transistor version of a cap multiplier to reduce high frequency noise before a linear regulator (when noise is an issue). I know this is an old comment, but could you expand on your views regarding the appropriateness or otherwise on the use of cap multipliers for this purpose. – Math Keeps Me Busy Dec 17 '22 at 16:52
  • @MathKeepsMeBusy I've got a full answer on that; see the linked "to" in my first comment under this answer. – Marcus Müller Dec 17 '22 at 17:01
4

HOW does it do it?

From the answer and comments here, we found out WHAT this circuit does - "multiplies capacitance" and "exploits the Miller effect". Now we just need to figure out HOW it does it (what the basic idea is) to successfully close this thread. I have told this story many times in its perfect version (infinitely increased capacitance)... but I will gladly tell it in this imperfect version (moderately increased capacitance) as well.

Looking for the idea

I will start with the stipulation that this is only a trick, an illusion based on our notion of capacitance through the voltage across the capacitor when charging it - the higher the capacitance, the lower the voltage. If the voltage does not change, we (or the input source) think the capacitance is infinite.

In fact, the capacitance does not change and the storage properties of the capacitor remain the same. Only the voltage between the capacitor input plate and ground changes.

Real capacitance

So when we pass a current through a real capacitor, the voltage drop across it begins linearly increasing with a rate of change depending on the capacitance.

Capacitance multiplier_1

Virtually increased capacitance

To "fool" the input source that the capacitance has increased we must somehow modify the voltage rate of change. We can do this with a simple trick - inserting (hidden from the input source:-) a second voltage source in series and varying its voltage so that to follow the capacitor voltage.

Capacitance multiplier_2

Infinite capacitance implementation

We can make an op-amp (with an almost infinite gain) produce a copy of the capacitor voltage and add it in series. As a result, the input source will see zero voltage (virtual ground) and it will "think" the capacitance is infinite (it "thinks" it "sees" the capacitor voltage but actually "sees" the total voltage). Thus the network of real capacitor and compensating voltage source acts as a virtual capacitor with infinite capacitance.

From another viewpoint, the compensating voltage source can be considered as a "negative capacitor" that adds its voltage while the "positive capacitor" subtracts it. Thus the combination of the two elements acts as a "piece of wire".

Note that we do not need an op-amp with differential input but only with a single-ended input; that is why its non-inverting input is unused (grounded).

Capacitance multiplier_3

Finite capacitance implementation

If we need moderate capacitance increasing ("multiplication"), we have to use an (inverting) amplifier with some finite gain. So we add the resistor network R1-R2 to introduce negative feedback and set the desired gain (some of resistors can be replaced by a variable resistor to obtain a variable gain). Now the op-amp adds only a part of the capacitor voltage and the capacitance is moderately increased.

Capacitance multiplier_4

Improved finite capacitance implementation

But the inverting amplifier draws current that flows through the resistor network. That is why, we connect an op-amp follower before the input and obtain a "buffered inverting amplifier" (an amplifier with a fixed gain and high resistance single-ended input).

Capacitance multiplier_5

More applications

This arrangement can be used in other inverting circuits to investigate the role of the gain (e.g., for educational purposes). For example, in a transimpedance amplifier, the feedback resistance is virtually decreased up to zero. By varying the gain, it can be increased up to the original value.

Generalization

From these observations, we can derive another circuit principle and add it to our "principle collection":

We can modify the properties of passive elements by adding or subtracting properly varying voltage.

See also

Here are some of my circuit stories on this topic:

How does an op amp integrator work? (StackExchange)

What is the purpose of the opamp in an integrator circuit? (StackExchange)

How do we convert the imperfect passive RC integrator into an almost "ideal" op-amp inverting integrator? What does the op-amp do in this circuit? (ResearchGate)

Can we virtually increase the capacitance up to infinity? How do we make such "virtual capacitors"? (ResearchGate)

How to Make a Perfect RC-integrator (Wikibooks)

Miller theorem (Wikipedia)

Circuit fantasist
  • 16,664
  • 1
  • 19
  • 61