0

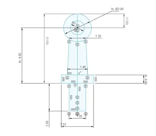
I am in the process of machining and assembling a smokebox for a model train. The smokebox in question is approximately 35mmx35mmx22mm. There are a series of handrail knobs and rails that are to be mounted on the smokebox. The stems of the hand rail knobs are very small as you can see from the drawing of it I made in Fusion360. Here is a link to the knobs in question for reference.

A requirement of the build is to have each handrail assembly (2 knobs and corresponding handrail) be removable for maintenance, ease of paint application (I've already got complaints from the painter regarding masking difficulty), and other aesthetic reasons. The knob manufacturer's intent is to have the knobs be soldered into the customer's product. But since they need to be removable in my use case, I can't solder them to the smokebox.

Things of interest:

  • I must use this specific part number of handrail knobs for aesthetic reasons.
  • Threading the stem on the knobs isn't feasible due to the clocking of the pre-drilled hole relative to the rod that is supposed to pass through them.
  • Tapping the base of the knob stem for a female thread will require an extremely small tap and the hole might damage the knob due to it's small size.
  • Both the knobs and the smokebox are brass.
  • I would like to keep the mounting mechanical and avoid things like glue. Metal-to-metal press fit isn't really desirable either because it makes removal difficult but not impossible and I also might damage the nickel plating that will eventually be on the knobs during insertion, but I'll do it if no other good options are out there.
  • I cannot add any additional visible holes or features on the exterior faces of the smokebox

Assuming that 1 rail is soldered inside 2 knobs, what are some ways that I can securely mount these small knobs to the smokebox body in a removable manner?

enter image description here

enter image description here

enter image description here

Jake Henry
  • 31
  • 5
  • Is there internal (boiler?) access to the stand-offs? – fred_dot_u Aug 26 '22 at 00:20
  • Yes I can access the knob stem from inside the smoke box bore if that's what you mean. – Jake Henry Aug 26 '22 at 00:46
  • The small size of the components create a near-impossible task. I had considered that one could drill out the length of the stand-off and tap the portion inside the boiler. A push rod inside that bore would be pressured by a grub screw in the tapped section. 1.2 mm diameter eliminates all of that. – fred_dot_u Aug 26 '22 at 16:00

0 Answers0